Запчасти Komatsu PC38UU-3 РАБОЧ. УПРАВЛ-Е (ПЕДАЛЬ И ТРУБЫ) (-ACTUATER УПРАВЛ. НАВЕСН. ОБОРУД.) (-WAY) (НАКЛОНЯЕМ. МЕХАНИЧ. ANGL)(№8-) КАБИНА ОПЕРАТОРА И СИСТЕМА УПРАВЛЕНИЯ

Схема запчастей Komatsu PC38UU-3 - РАБОЧ. УПРАВЛ-Е (ПЕДАЛЬ И ТРУБЫ) (-ACTUATER УПРАВЛ. НАВЕСН. ОБОРУД.) (-WAY) (НАКЛОНЯЕМ. МЕХАНИЧ. ANGL)(№8-) КАБИНА ОПЕРАТОРА И СИСТЕМА УПРАВЛЕНИЯ
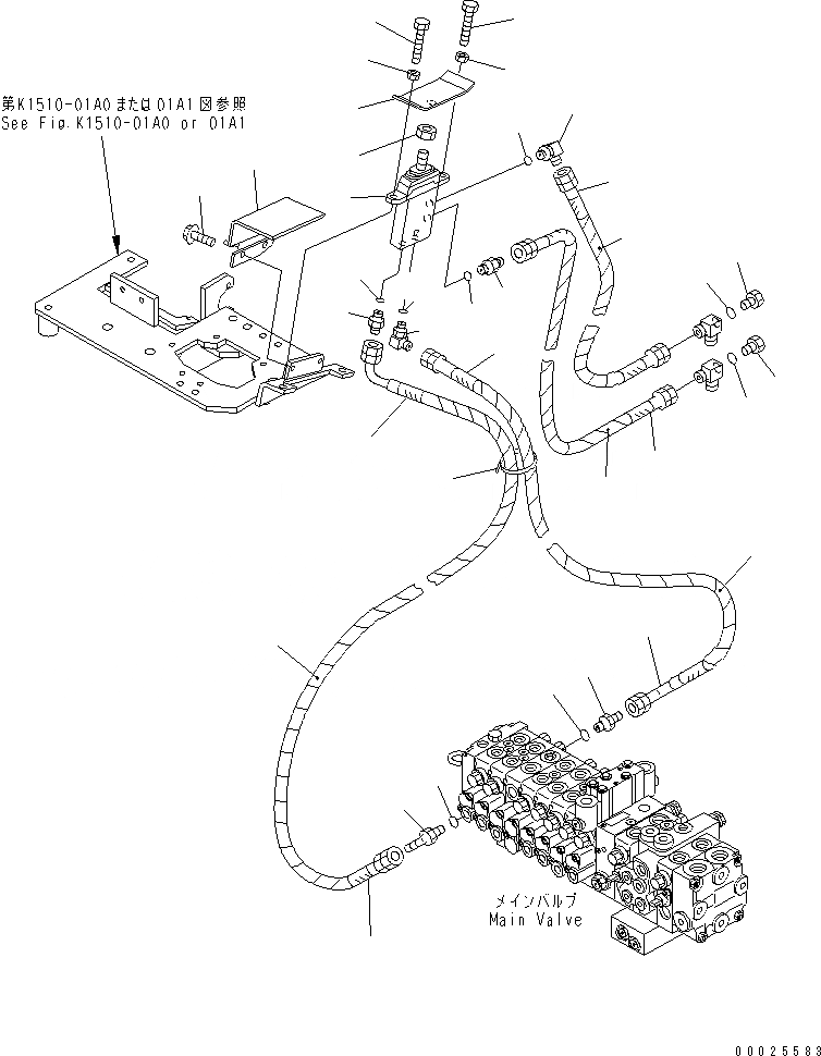
1
2
3
4
4
5
6
7
8
9
10
11
11
12
13
14
14
16
17
18
18
19
19
20
20
20
20
21
22
23
23
24
25
25
26
26
FIT
1:1
100%

Артикул

Название

Примечание

Количество

1

702-16-01270

PILOT VALVE

2

01016-51060

BOLT

3

01016-51070

BOLT

4

01580-11008

NUT

5

21U-973-3130

PEDAL

6

01582-11411

NUT

7

21X-973-3720

LOCK

8

01435-00820

BOLT

9

21P-62-11590

ELBOW

10

20N-62-31250

NIPPLE

11

07000-02011

O-RING

12

21U-62-24150

NIPPLE

13

21A-62-11230

ELBOW

14

07000-02011

O-RING

|16

21X-973-3731

HOSE ASSY

16

21X-973-3631

HOSE¤ 380MM

17

21X-973-3641

HOSE¤ 550MM

18

21X-973-3390

HOSE¤ 900MM

19

21X-973-3481

HOSE¤ 1450MM

20

08210-01230

SPIRAL TUBE

21

21A-62-12360

NIPPLE

22

21U-62-24160

ELBOW

23

07002-11423

O-RING

24

08034-20519

BAND

25

07040-11409

PLUG

26

07002-11423

O-RING

Выбрано товаров: 26