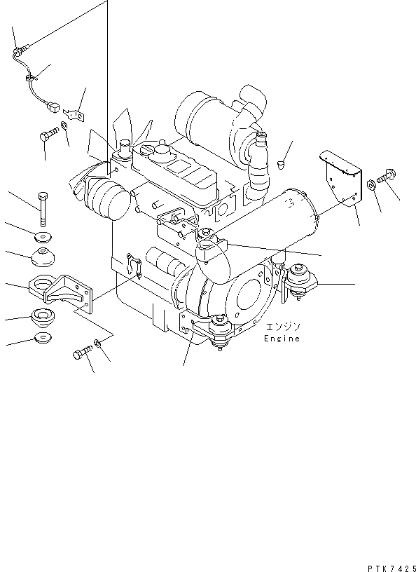
Запчасти Komatsu PC38UU-3 КРЕПЛЕНИЕ ДВИГАТЕЛЯ(№7-8) КОМПОНЕНТЫ ДВИГАТЕЛЯ

Схема запчастей Komatsu PC38UU-3 - КРЕПЛЕНИЕ ДВИГАТЕЛЯ(№7-8) КОМПОНЕНТЫ ДВИГАТЕЛЯ
1
2
3
4
5
5
6
7
8
9
10
11
12
13
14
15
16
17
18
19
FIT
1:1
100%

Артикул

Название

Примечание

Количество

1

22F-01-11111

BRACKET

2

22F-01-11140

BRACKET

3

22F-01-11121

BRACKET

4

22F-01-11131

BRACKET

5

21U-01-31211

CUSHION

6

205-70-65890

WASHER

7

22F-01-11210

WASHER

8

01010-81025

BOLT

9

01643-31032

WASHER

10

01011-81205

BOLT

11

07049-01012

PLUG

12

7861-92-3320

SENSOR

13

21X-01-31120

BRACKET

14

08034-00519

BAND

15

01010-80816

BOLT

16

01643-30823

WASHER

17

22F-01-11220

COVER

18

01435-00820

BOLT

19

6201-81-6560

SPACER

Выбрано товаров: 19