Запчасти Komatsu PC38UU-3 КАПОТ (ДЛЯ КАБИНЫ) (ВЕРХН. ГЛУШИТЕЛЬ) ЧАСТИ КОРПУСА

Схема запчастей Komatsu PC38UU-3 - КАПОТ (ДЛЯ КАБИНЫ) (ВЕРХН. ГЛУШИТЕЛЬ) ЧАСТИ КОРПУСА
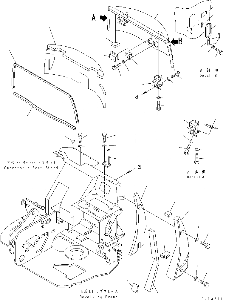
1
2
3
4
5
6
7
8
9
10
11
11
12
12
13
14
15
16
16A
17
18
19
20
21
22
23
24
25
26
27
28
28
29
29
30
31
32
33
34
34
35
36
37
FIT
1:1
100%

Артикул

Название

Примечание

Количество

|1

21X-54-33501

HOOD ASS'Y

|1

21X-54-33500

HOOD ASS'Y

1

HOOD

2

21X-54-33580

SHEET

3

21U-54-31151

SEAL

4

21U-54-31161

SEAL

5

22L-54-11131

LOCK ASS'Y

|5

22L-54-11130

LOCK ASS'Y

6

01010-81016

BOLT

7

01643-31032

WASHER

8

22L-54-11120

CATCH

9

22F-54-11620

HINGE

10

21X-54-33540

HINGE

11

01010-81020

BOLT

12

203-54-56970

WASHER

13

21U-54-31290

SHEET

14

21X-54-32690

BRACKET

15

01010-80820

BOLT

16

01643-30823

WASHER

16A

21X-54-33180

SEAL

17

01010-81025

BOLT

18

203-54-56970

WASHER

19

21X-54-32710

BRACKET

20

01010-81025

BOLT

21

203-54-56970

WASHER

|22

21X-54-32201

COVER ASS'Y,L.H.

|22

21X-54-32200

COVER ASS'Y,L.H.

22

COVER

|22

COVER

23

21U-54-31322

SHEET

24

21X-54-31390

SHEET

25

21U-54-31360

SHEET

26

21X-54-33440

SHEET

27

21X-54-33290

SHEET

28

01010-81025

BOLT

29

203-54-56970

WASHER

30

20U-54-21810

CAP

31

01010-80616

BOLT

32

419-43-17760

WASHER

33

21X-54-33550

PROTECTOR

34

21X-54-33570

PLATE

35

01010-D0820

BOLT

36

01643-70823

WASHER

37

09817-K088A

PLATE¤ SAFETY,SAFETY

Выбрано товаров: 0