Запчасти Komatsu PC38UU-3 СТРЕЛА (1¤ 2-Я СТРЕЛА¤ 3 КОРПУС И SUB СОЕДИНИТЕЛЬН. ЗВЕНО) (НАВЕСН.ОБОРУД.)(№8-) РАБОЧЕЕ ОБОРУДОВАНИЕ

Схема запчастей Komatsu PC38UU-3 - СТРЕЛА (1¤ 2-Я СТРЕЛА¤ 3 КОРПУС И SUB СОЕДИНИТЕЛЬН. ЗВЕНО) (НАВЕСН.ОБОРУД.)(№8-) РАБОЧЕЕ ОБОРУДОВАНИЕ
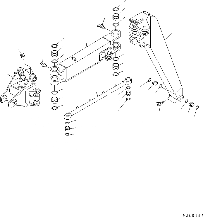
1
2
2
3
3
4
4
5
6
7
7
7
7
8
9
10
10
10
10
10
10
10
10
11
12
13
13
14
15
15
15
15
FIT
1:1
100%

Артикул

Название

Примечание

Количество

|1

21X-973-0032

BOOM ASS'Y,1ST

1

BOOM,1ST

2

20S-70-81140

BUSHING

3

07145-00045

SEAL,DUST

4

07145-00045

SEAL,DUST

5

07020-00675

FITTING,GREASE

|6

21X-973-0040

BOOM ASS'Y,2ND

6

BOOM,2ND

7

21X-70-31270

BUSHING

8

07020-00000

FITTING,GREASE

9

07020-00675

FITTING,GREASE

10

07145-00070

SEAL,DUST

11

21X-70-31131

BRACKET,3RD

|12

21X-70-00150

LINK ASS'Y,SUB

12

LINK,SUB

13

21X-70-31370

BUSHING

14

07020-00900

FITTING,GREASE

15

07145-00045

SEAL,DUST

Выбрано товаров: 18