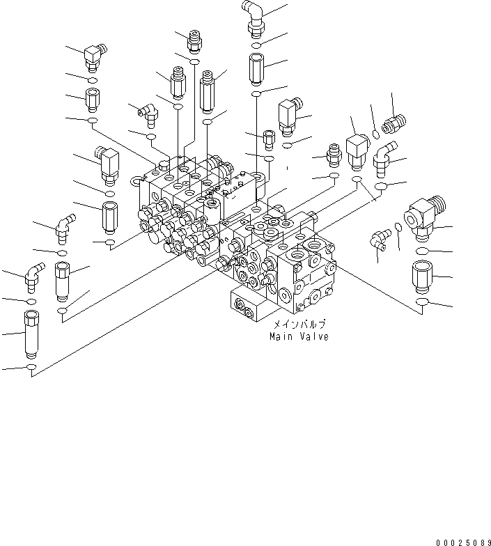
Запчасти Komatsu PC38UU-3 ОСНОВН. КЛАПАН (ПАТРУБОК) ГИДРАВЛИКА

Схема запчастей Komatsu PC38UU-3 - ОСНОВН. КЛАПАН (ПАТРУБОК) ГИДРАВЛИКА
1
1
2
2
3
4
5
6
7
8
9
10
11
11
11
11
11
11
11
11
11
11
11
11
11
11
12
13
14
15
16
17
17
17
18
19
20
21
22
23
24
25
26
27
27
28
FIT
1:1
100%

Артикул

Название

Примечание

Количество

1

20T-62-84370

JOINT

2

07235-10420

ELBOW

3

20U-62-32480

JOINT

4

20R-62-21550

ELBOW

5

21X-62-22380

NIPPLE

6

21X-62-31640

ELBOW

7

20T-62-71150

UNION

8

20R-62-21141

ELBOW

9

20T-62-67150

UNION

10

20T-62-56710

UNION

11

07002-11823

O-RING

12

21X-62-31280

ADAPTER

13

22F-973-1210

ELBOW

14

07235-10420

ELBOW

15

07002-11823

O-RING

16

07235-10522

ELBOW

17

07002-12434

O-RING

18

20G-62-15591

UNION

19

07002-11423

O-RING

20

21X-62-32770

UNION

21

07002-11823

O-RING

22

22M-62-13330

ELBOW

23

07002-11823

O-RING

24

21X-62-32240

ELBOW

25

20Y-970-1731

ELBOW

26

203-62-58880

ADAPTER

27

07002-11423

O-RING

28

363-Z23-3130

NIPPLE

Выбрано товаров: 28