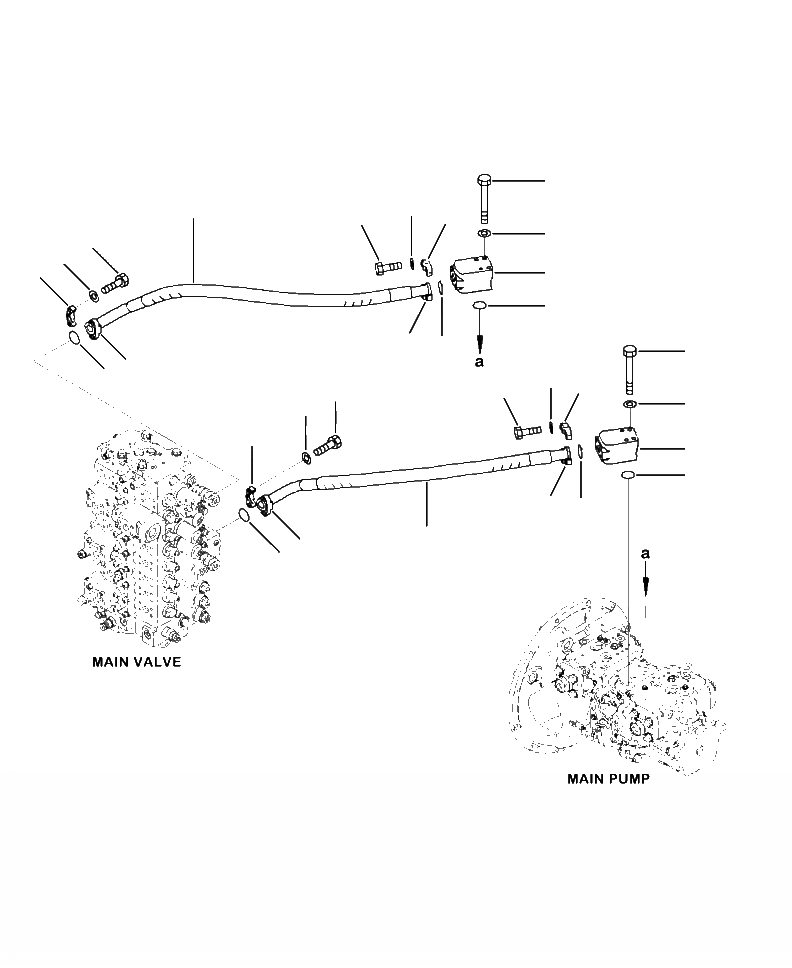
Запчасти Komatsu PC390LC-10 H-A ЛИНИЯ ПОДАЧИ БЕЗ ПРОХОДНОЙ ФИЛЬТР ГИДРАВЛИКА

Схема запчастей Komatsu PC390LC-10 - H-A ЛИНИЯ ПОДАЧИ БЕЗ ПРОХОДНОЙ ФИЛЬТР ГИДРАВЛИКА
3
10
11
8
9
4
16
17
12
1
2
8
12
6
15
12
10
8
9
16
7
17
15
1
5
8
14
13
15
14
FIT
1:1
100%

Артикул

Название

Примечание

Количество

1

208-62-71820

BLOCK

2

07000-13035

O-RING

3

01011-81020

BOLT

4

01643-31032

WASHER

5

07000-13035

O-RING

6

01011-81020

BOLT

7

01643-31032

WASHER

8

07371-31049

FLANGE

9

07372-21035

BOLT

10

01643-51032

WASHER

11

207-62-41580

HOSE

12

07000-13032

O-RING

13

207-62-42960

HOSE

14

07000-13032

O-RING

15

07371-31049

FLANGE

16

07372-21035

BOLT

17

01643-51032

WASHER

Выбрано товаров: 17