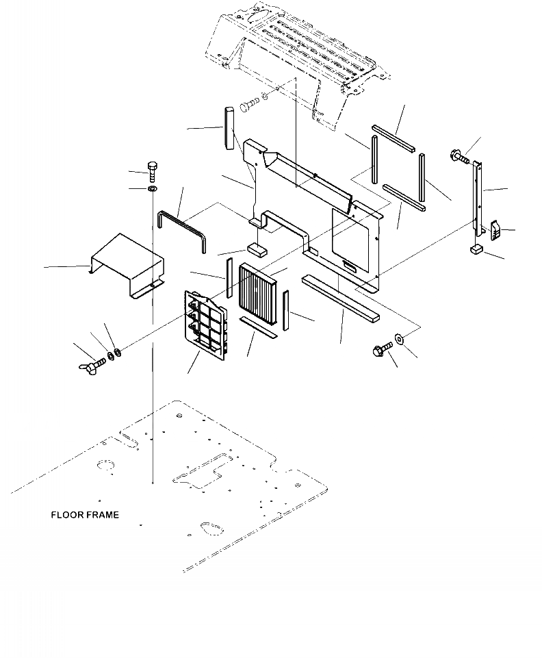
Запчасти Komatsu PC390LC-10 K-A КАБИНА ПЕРЕГОРОДКА. & RECIRCULATION ВОЗД. ФИЛЬТР. OPERATORS ОБСТАНОВКА И СИСТЕМА УПРАВЛЕНИЯ

Схема запчастей Komatsu PC390LC-10 - K-A КАБИНА ПЕРЕГОРОДКА. & RECIRCULATION ВОЗД. ФИЛЬТР. OPERATORS ОБСТАНОВКА И СИСТЕМА УПРАВЛЕНИЯ
3
6
3
12
21
1
5
9
22
3
10
3
4
11
14
20
15
19
15
17
18
2
16
8
7
13
FIT
1:1
100%

Артикул

Название

Примечание

Количество

|$0

2A5-53-11741

BRACKET ASSEMBLY

1

NSS

BRACKET

2

2A5-53-11760

SEAL

3

2A5-53-11770

SEAL

4

2A5-53-11780

SEAL

5

2A5-53-11790

SEAL

6

2A5-53-11860

SEAL

7

01435-80820

BOLT

8

418-54-35450

WASHER

9

20Y-53-12781

PLATE

10

20Y-53-12751

SEAL

11

20Y-53-12760

SEAL

12

01435-80820

BOLT

13

2A5-979-1181

HOLDER

|$14

2A5-979-1551

FILTER ASSEMBLY

14

2A5-979-1191

FILTER

15

2A5-979-1541

SEAL ASSEMBLY

16

2A5-979-1611

SEAL ASSEMBLY

17

20Y-54-65690

WASHER

18

20Y-54-65790

BOLT

19

01640-20610

WASHER

20

2A5-53-11811

DUCT

21

01010-D0820

BOLT

22

01643-70823

WASHER

Выбрано товаров: 24