Качественные детали и логистика
Оригинальные и аналоговые запчасти с доставкой по России, Казахстану и Беларуси
©2022 PartSell ООО "Система" ИНН 2463123282 ОГРН 1212400004838
Центральный офис: г. Красноярск, Академика Киренского, д.87, пом.4
Телефон: 8 (800) 777-65-74 Email: zakaz@partsell.ru
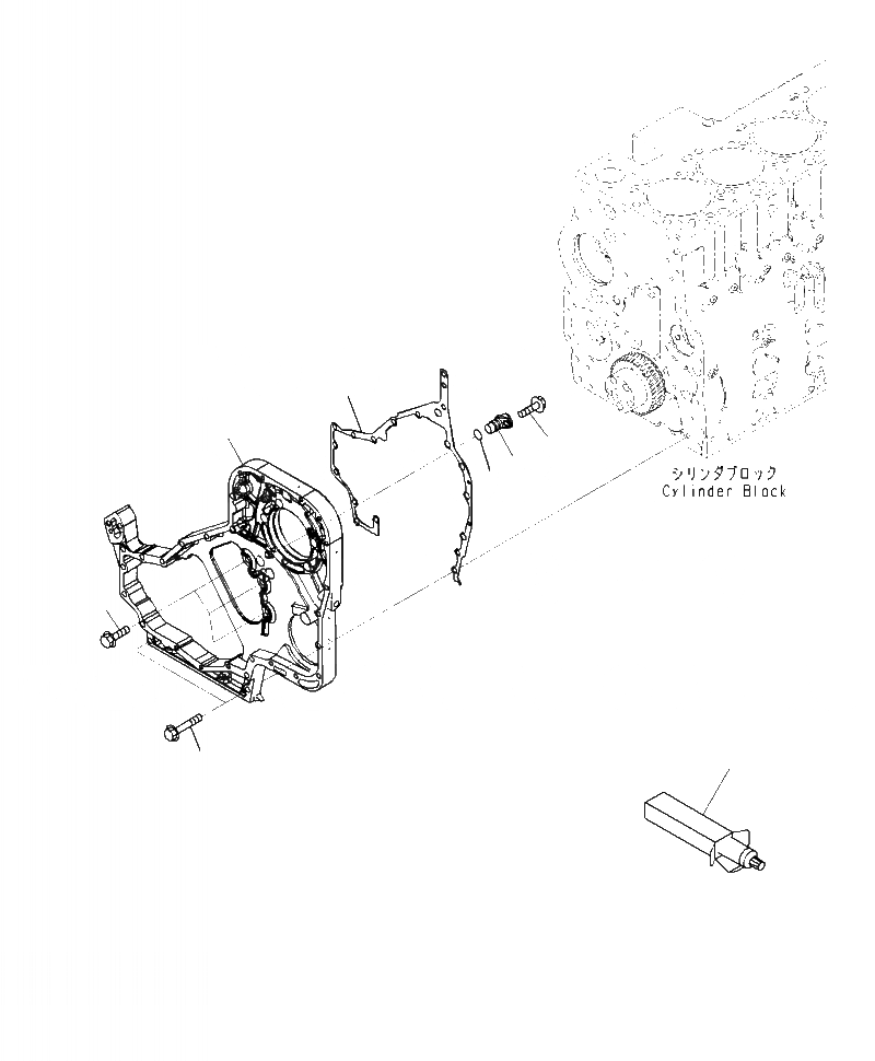
ABB- ПЕРЕДН. КОЖУХ ШЕСТЕРЕН. ПЕРЕДАЧИ
№
Артикул
Название
Примечание
Количество
1
6745-22-3110
HOUSING
2
6742-01-0540
BOLT
3
36741-21-3820
4
6741-21-3810
GASKET
|$4
6745-22-3120
PLUG ASSEMBLY
5
6745-22-3140
PLUG
6
6261-81-2920
O-RING
7
6732-21-4180
8
09920-00150
LIQUID GASKET, LG-7, 150 G
Выбрано товаров: 0