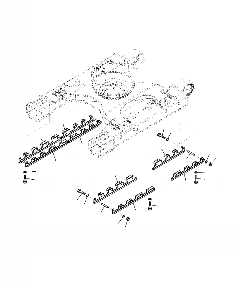
Запчасти Komatsu PC390LC-10 R-A ЗАЩИТА ОПОРНЫХ КАТКОВ ПОЛН. ТИП НИЖН.CARRIAGE

Схема запчастей Komatsu PC390LC-10 - R-A ЗАЩИТА ОПОРНЫХ КАТКОВ ПОЛН. ТИП НИЖН.CARRIAGE
4
7
8
3
4
2
8
9
10
1
6
6
3
5
5
2
6
7
5
8
1
10
8
9
FIT
1:1
100%

Артикул

Название

Примечание

Количество

1

208-30-77210

GUARD, L.H.

2

208-30-77220

GUARD, L.H.

3

208-30-77230

GUARD, R.H.

4

208-30-77240

GUARD, R.H.

5

01010-62455

BOLT

6

01643-32460

WASHER

7

421-975-1230

BOLT

8

01643-32460

WASHER

9

01580-12419

NUT

10

150-30-15553

SPACER

Выбрано товаров: 10