Запчасти Komatsu PC390LC-10 AWI- ХЛАДАГЕНТ ВХОДН. СОЕДИН-Е ДВИГАТЕЛЬ
1
2
3
FIT
1:1
100%
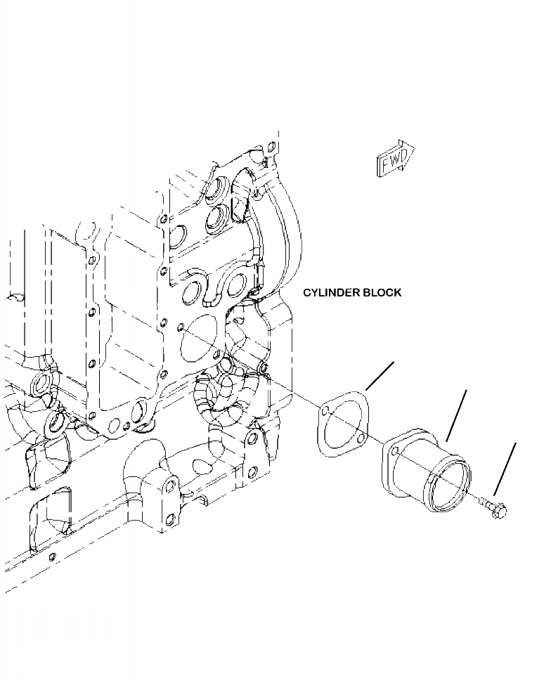
№
Артикул
Название
Примечание
Количество
1
6742-01-4490
CONNECTOR
2
01435-60820
BOLT
3
6741-61-6130
GASKET
Выбрано товаров: 3
№
Артикул
Название
Примечание
Количество
1
6742-01-4490
CONNECTOR
2
01435-60820
BOLT
3
6741-61-6130
GASKET
Выбрано товаров: 3