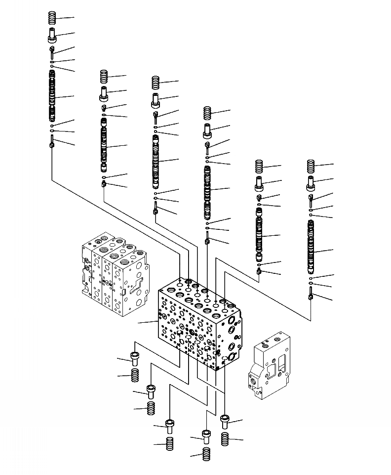
Запчасти Komatsu PC390LL-10 A50601 H-A ОСНОВН. УПРАВЛЯЮЩ. КЛАПАН COMPLETE ASSEMBLY (/) ГИДРАВЛИКА

Схема запчастей Komatsu PC390LL-10 A50601 - H-A ОСНОВН. УПРАВЛЯЮЩ. КЛАПАН COMPLETE ASSEMBLY (/) ГИДРАВЛИКА
13
11
7
9
10
15
13
11
2
12
8
7
15
9
10
9
12
9
10
7
3
7
9
4
14
13
10
9
12
12
8
10
5
7
8
9
9
9
7
10
10
9
3
7
6
9
10
8
9
7
1
11
13
11
15
11
12
12
14
15
13
FIT
1:1
100%

Артикул

Название

Примечание

Количество

1

NSS

BLOCK, VALVE

2

NSS

SPOOL

3

NSS

SPOOL

4

NSS

SPOOL

5

NSS

SPOOL

6

NSS

SPOOL

7

723-46-15130

PLUG

8

723-46-15140

PLUG

9

07002-10823

O-RING

10

708-7T-16460

BALL

11

723-46-15120

RETAINER

12

723-46-15690

RETAINER

13

723-46-14110

SPRING

14

723-46-14170

SPRING

15

723-46-14131

SPRING

Выбрано товаров: 15