Качественные детали и логистика
Оригинальные и аналоговые запчасти с доставкой по России, Казахстану и Беларуси
©2022 PartSell ООО "Система" ИНН 2463123282 ОГРН 1212400004838
Центральный офис: г. Красноярск, Академика Киренского, д.87, пом.4
Телефон: 8 (800) 777-65-74 Email: zakaz@partsell.ru
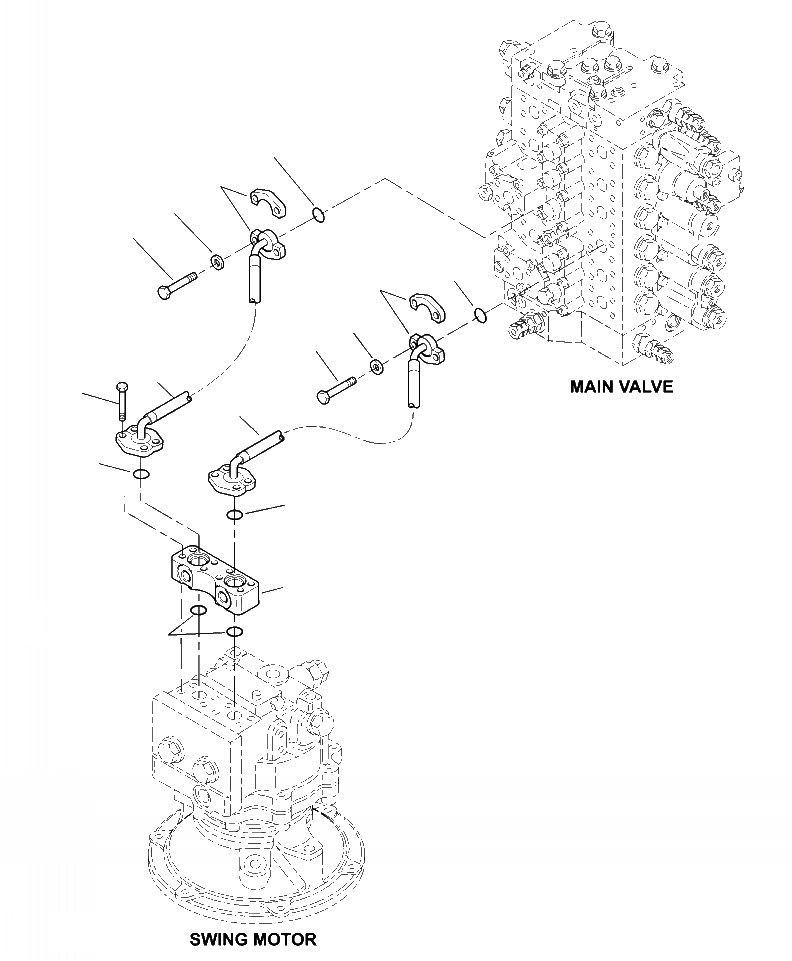
H-A ГИДРОЛИНИЯ ЛИНИЯ ПОВОРОТА, SOFT ПОВОРОТН.
№
Артикул
Название
Примечание
Количество
1
07098-01011
HOSE
2
07000-13032
O-RING
3
07371-31049
FLANGE
4
07372-21035
BOLT
5
01643-51032
WASHER
6
195-78-63210
7
20Y-62-A1490
BLOCK
8
Выбрано товаров: 0