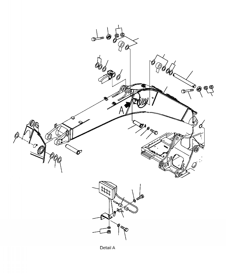
Запчасти Komatsu PC390LL-10 A50601 T-A ЦИЛИНДР СТРЕЛЫПАЛЕЦ И ЛАМПА РАБОЧ. ОСВЕЩЕНИЯ РАБОЧЕЕ ОБОРУДОВАНИЕ

Схема запчастей Komatsu PC390LL-10 A50601 - T-A ЦИЛИНДР СТРЕЛЫПАЛЕЦ И ЛАМПА РАБОЧ. ОСВЕЩЕНИЯ РАБОЧЕЕ ОБОРУДОВАНИЕ
9
7
8
10
10
13
12
11
12
6
25
21
9
7
8
5
1
2
4
3
14
14
15
16
22
23
17
25
18
24
17
20
19
FIT
1:1
100%

Артикул

Название

Примечание

Количество

1

207-70-61192

PIN

2

205-70-66581

PLATE

3

01010-81235

BOLT

4

01643-31232

WASHER

5

07145-00110

SEAL, DUST

6

207-70-31172

PIN

7

207-70-31242

PLATE

8

207-70-13340

BOLT

9

01580-12419

NUT

10

207-70-71251

SPACER, 1.0 MM

11

207-70-71261

SPACER, 2.0 MM

12

207-70-72371

SPACER, 1.0 MM

13

207-70-72381

SPACER, 2.0 MM

14

207-70-72391

SPACER, 2.0 MM

15

207-70-72421

SPACER, 2.5 MM

16

207-70-72431

SPACER, 3.0 MM

17

21T-06-32810

WORK LAMP ASSEMBLY

|$17

421-06-23330

BULB, 70 W

18

20Y-06-21551

BRACKET

19

01010-81430

BOLT

20

01643-31445

WASHER

21

04434-51012

CLIP

22

01010-81220

BOLT

23

01643-31232

WASHER

24

08193-20012

CLIP

25

207-06-75161

WIRING HARNESS

Выбрано товаров: 26