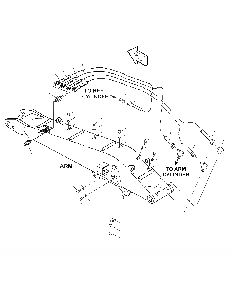
Запчасти Komatsu PC390LL-10 A50601 T-A LOG ПОГРУЗ. СМАЗ. ЛИНИИ (STICK СТРЕЛА) РАБОЧЕЕ ОБОРУДОВАНИЕ

Схема запчастей Komatsu PC390LL-10 A50601 - T-A LOG ПОГРУЗ. СМАЗ. ЛИНИИ (STICK СТРЕЛА) РАБОЧЕЕ ОБОРУДОВАНИЕ
4
3
6
5
8
2
5
11
12
11
10
12
11
3
6
10
12
7
14
10
4
15
14
7
13
15
1
9
13
18
17
16
18
17
19
21
20
FIT
1:1
100%

Артикул

Название

Примечание

Количество

1

07020-00000

GREASE FITTING (STRAIGHT)

2

205-70-51390

CONNECTOR, STR BULKHEAD 2238-2-4S

3

207-62-U1290

HOSE, STICK BOOM PIVOT RIGHT

4

207-62-U1270

HOSE, STICK BOOM PIVOT LEFT

5

207-62-U1280

HOSE, HEEL CYLINDER ROD

6

207-62-U1270

HOSE, ARM CYLINDER BASE

7

20F-70-16190

ELBOW

8

205-70-51390

NIPPLE, GREASE

9

20F-70-16190

ELBOW

10

04434-51212

CLIP

11

01010-81230

BOLT

12

01643-31232

WASHER

13

04434-51212

CLIP

14

01010-81225

BOLT

15

01643-31232

WASHER

16

04434-51212

CLIP

17

01010-81225

BOLT

18

01643-31232

WASHER

19

04434-51212

CLIP

20

01010-81220

BOLT

21

01643-31232

WASHER

Выбрано товаров: 21