Запчасти Komatsu PC40-1 PКАНАТL МОТОР ТОРМОЗНОЙ КЛАПАН ХОД И КОНЕЧНАЯ ПЕРЕДАЧА

Схема запчастей Komatsu PC40-1 - PКАНАТL МОТОР ТОРМОЗНОЙ КЛАПАН ХОД И КОНЕЧНАЯ ПЕРЕДАЧА
FIT
1:1
100%

Артикул

Название

Примечание

Количество

|$0

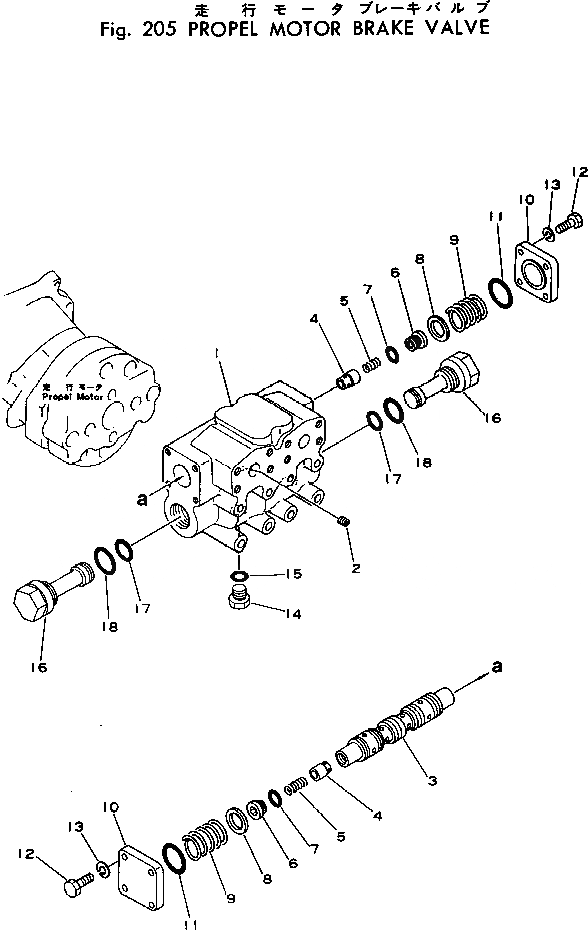
706-73-03701

TRAVEL MOTOR ASS'Y

|$2

706-73-71201

BRAKE VALVE ASS'Y

1

BODY,VALVE

2

SCREW

3

SPOOL

4

706-73-70140

VALVE,CHECK

5

706-73-70150

SPRING

6

706-73-70161

PLUG

7

07002-11623

O-RING

8

706-73-71150

RING

9

706-73-71182

SPRING

10

706-73-71121

PLATE

11

07000-13032

O-RING

12

01010-30825

BOLT

13

01602-00825

WASHER,SPRING

14

07040-11409

PLUG

15

07002-11423

O-RING

16

706-73-71270

PLUG

17

07000-12016

O-RING

18

07002-13034

O-RING

Выбрано товаров: 20