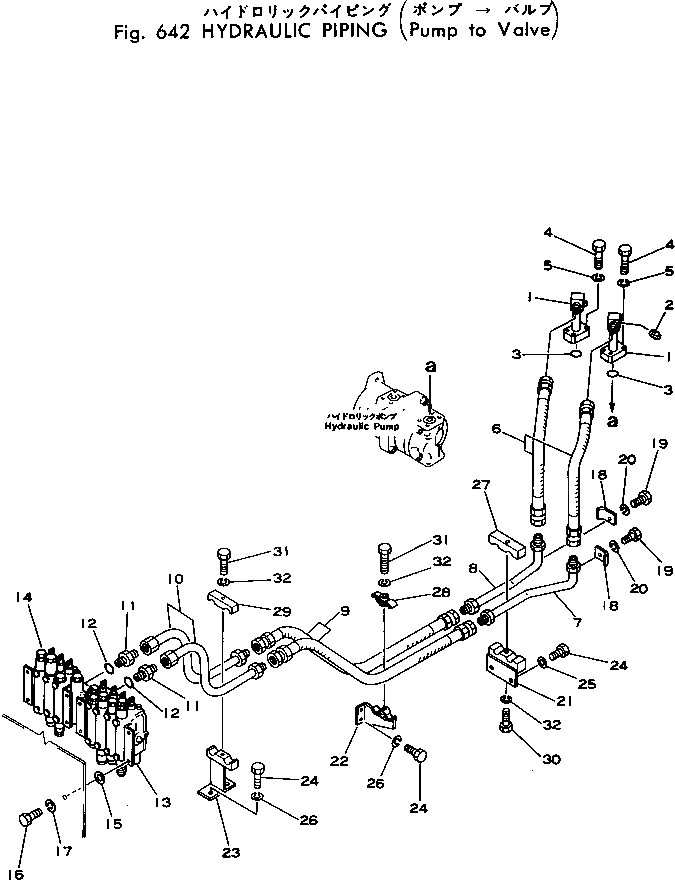
Запчасти Komatsu PC40-1 ГИДРОЛИНИЯ (ИЗ НАСОСА В КЛАПАН) ГИДРАВЛИКА

Схема запчастей Komatsu PC40-1 - ГИДРОЛИНИЯ (ИЗ НАСОСА В КЛАПАН) ГИДРАВЛИКА
FIT
1:1
100%

Артикул

Название

Примечание

Количество

1

20T-62-53220

TUBE

2

07042-20108

PLUG

3

07000-03025

O-RING

4

01010-30835

BOLT

5

01602-00825

WASHER,SPRING

6

07108-20504

HOSE

7

20T-62-51121

TUBE

8

20T-62-51131

TUBE

9

07108-20508

HOSE

10

20T-62-11621

TUBE

11

07230-10522

UNION

12

07002-12434

O-RING

13

700-24-13001

VALVE ASS'Y,(SEE FIG. 621)

14

700-23-13001

VALVE ASS'Y,(SEE FIG. 623)

15

01643-30823

WASHER

16

01010-30825

BOLT

17

01602-00825

WASHER,SPRING

18

201-62-21890

CLAMP

19

01010-31025

BOLT

20

01602-01030

WASHER,SPRING

21

20T-62-11680

BRACKET

22

20T-62-11630

BRACKET

23

20T-62-51530

BRACKET

24

01010-31025

BOLT

25

01605-11023

WASHER,LOCK

26

01602-01030

WASHER,SPRING

27

20T-62-11990

CLAMP

28

176-62-13310

CLIP

29

20T-62-51510

CLAMP

30

01010-31050

BOLT

31

01010-31035

BOLT

32

01602-01030

WASHER,SPRING

Выбрано товаров: 32