Запчасти Komatsu PC40-1 ГИДРОЛИНИЯ (КЛАПАН TO/FROM ЦИЛИНДР РУКОЯТИ) ГИДРАВЛИКА

Схема запчастей Komatsu PC40-1 - ГИДРОЛИНИЯ (КЛАПАН TO/FROM ЦИЛИНДР РУКОЯТИ) ГИДРАВЛИКА
FIT
1:1
100%

Артикул

Название

Примечание

Количество

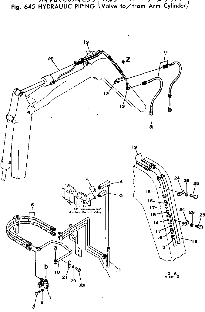
1

20T-62-51340

TUBE

2

20T-62-11480

ELBOW

3

20T-62-51350

TUBE

4

20T-62-11470

ELBOW

5

07002-12034

O-RING

6

07113-00412

HOSE

7

20T-62-52122

TUBE

8

01010-31035

BOLT

9

01602-01030

WASHER,SPRING

10

20T-62-52140

TUBE

11

07113-00408

HOSE

12

20T-62-52271

TUBE

13

20T-62-52281

TUBE

14

20T-62-19170

BODY

15

20T-62-19140

VALVE

16

07230-10422

UNION

17

07002-12034

O-RING

18

20T-62-13382

TUBE

19

07108-20305

HOSE

20

20T-63-66103

CYLINDER ASS'Y,(SEE FIG. 633)

21

20T-62-52310

CLAMP

22

01010-31045

BOLT

23

01602-01030

WASHER,SPRING

24

201-62-21880

CLAMP

25

01010-31025

BOLT

26

01602-01030

WASHER,SPRING

Выбрано товаров: 26