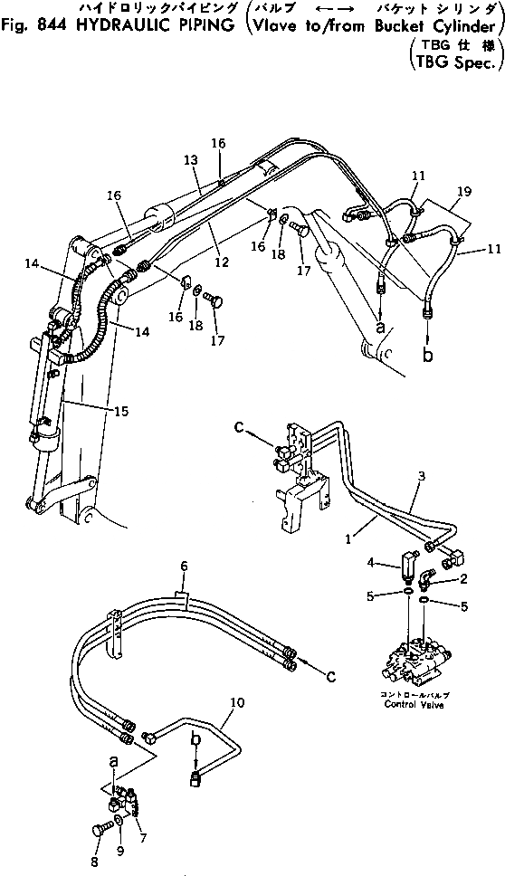
Запчасти Komatsu PC40-2 ГИДРОЛИНИЯ (КЛАПАН TO/FROM ЦИЛИНДР КОВША) (СПЕЦ-Я TBG) ОПЦИОННЫЕ КОМПОНЕНТЫ

Схема запчастей Komatsu PC40-2 - ГИДРОЛИНИЯ (КЛАПАН TO/FROM ЦИЛИНДР КОВША) (СПЕЦ-Я TBG) ОПЦИОННЫЕ КОМПОНЕНТЫ
FIT
1:1
100%

Артикул

Название

Примечание

Количество

1

20T-62-54240

TUBE

2

07235-10422

ELBOW

3

20T-62-54250

TUBE

4

20T-62-54190

ELBOW

5

07002-12034

O-RING

6

07123-40412

HOSE

7

20T-62-52122

TUBE

8

01010-31035

BOLT

9

01602-01030

WASHER,SPRING

10

20T-62-52150

TUBE

11

07123-40409

HOSE

12

20T-62-52261

TUBE

13

20T-62-52251

TUBE

14

07123-20508

HOSE

15

20T-63-76105

CYLINDER ASS'Y

16

20T-62-52320

CLAMP

17

01010-31035

BOLT

18

01602-01030

WASHER,SPRING

19

08034-00834

BAND

Выбрано товаров: 19