Качественные детали и логистика
Оригинальные и аналоговые запчасти с доставкой по России, Казахстану и Беларуси
©2022 PartSell ООО "Система" ИНН 2463123282 ОГРН 1212400004838
Центральный офис: г. Красноярск, Академика Киренского, д.87, пом.4
Телефон: 8 (800) 777-65-74 Email: zakaz@partsell.ru
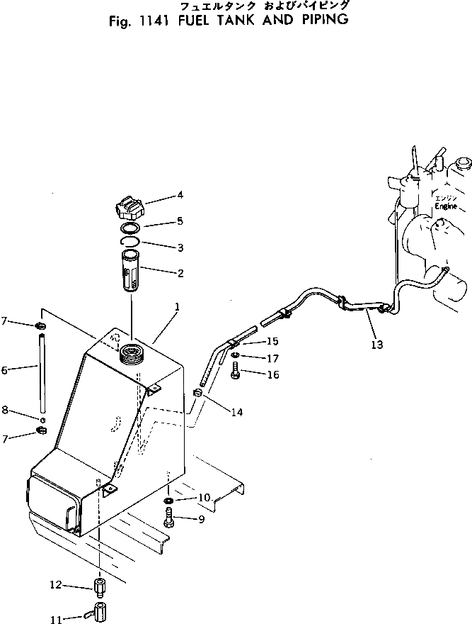
ТОПЛ. БАК И ТОПЛИВОПРОВОД
№
Артикул
Название
Примечание
Количество
|$0
20T-04-00030
TANK ASS'Y
1
TANK
2
07056-16415
STRAINER
3
07057-03266
RING
4
07050-20920
CAP ASS'Y
07091-00920
CAP ASS'Y,(FOR VANDALISM PROTECTION) (OP)
5
07050-20922
GASKET
6
07270-01041
TUBE
7
07281-00197
CLAMP
8
20R-04-21210
BALL,FLOAT
9
01010-51225
BOLT
10
01605-11226
WASHER
11
07700-40240
VALVE
12
113-40-23110
NIPPLE
13
20T-04-11131
TUBE,FUEL
14
07280-01620
15
08036-01414
CLIP
16
01010-51020
17
01602-21030
Выбрано товаров: 0