Запчасти Komatsu PC40-3 МАРКИРОВКА (ПОРТУГАЛ.) (СПЕЦ-Я TBG)(№-77) ОПЦИОННЫЕ КОМПОНЕНТЫ

Схема запчастей Komatsu PC40-3 - МАРКИРОВКА (ПОРТУГАЛ.) (СПЕЦ-Я TBG)(№-77) ОПЦИОННЫЕ КОМПОНЕНТЫ
FIT
1:1
100%

Артикул

Название

Примечание

Количество

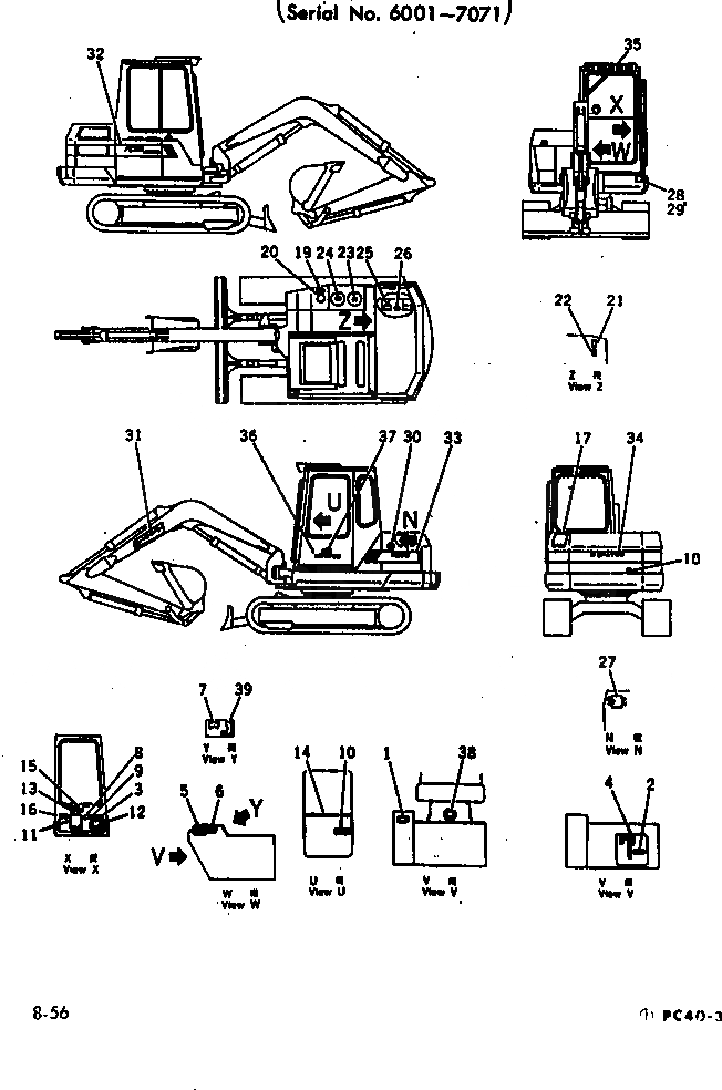
1

20T-98-22250

PLATE, OPERATING,SWING LEVER

2

09131-02000

PLATE, SAFETY,SWING LOCK PIN

3

09651-02000

PLATE, SAFETY,BEFORE OPERATING

4

09685-00002

PLATE, OPERATING,SWING LOCK PIN

5

20T-98-22270

PLATE, OPERATING,BLADE CONTROL

6

362-54-17320

PLATE, OPERATING,ENGINE CONTROL

7

09683-21060

PLATE, OPERATING,STARTING SWITCH

8

09132-02000

PLATE, SAFETY,WARNING

9

09173-02000

PLATE, SAFETY,INSPECTION AND MAINTENANCE

10

20S-98-12240

PLATE, OPERATING

11

20T-98-22211

CHART, OIL

12

20T-98-19350

PLATE, CAUTION,TRACK LOADING INSTRUCTION

13

20T-98-22221

PLATE, OPERATING,DOOR LOCK CONTROL

14

20T-98-22350

PLATE, CAUTION,SLIDE OPEN SASH

15

20S-98-12170

PLATE, CAUTION,TRAVEL HIGH PEDAL

16

09657-02011

PLATE, SAFETY,TRACK SHOE

17

20T-98-22240

PLATE, SAFETY,KEEP OUT OF TURNING AREA

18

20T-98-22330

PLATE, SAFETY,HOOD OPEN

19

09101-02000

PLATE, CAUTION,RECOMMEDED FUEL OIL

20

09652-21101

PLATE, CAUTION,FUEL TANK WATER DRAIN

21

201-98-29340

PLATE, INSTRUCTION,RECOMMEDED HYDRAULIC OIL

22

09653-02000

PLATE, SAFETY,HYDRAULIC TANK CAP

23

09656-21080

PLATE, INSTRUCTION,HYDRAULIC STRAINER

24

201-98-29350

PLATE, CAUTION,HYDRAULIC FILTER

25

09650-21103

PLATE, INSTRUCTION,RADIATOR WATER

26

09668-02000

PLATE, SAFETY,RADIATOR CAP

27

09641-81661

PLATE, INSTRUCTION,AIR CLEANER

28

09601-20835

PLATE, NAME,(LIMITED SUPPLY)

29

04418-13060

SCREW

30

20T-98-21240

PLATE, OPERATING,MACHINE CAB STAY LOCK OPEN

31

20R-98-21140

PLATE, MARK,BOOM

32

20T-98-21160

PLATE, MARK,PC40 KOMATSU

33

20T-98-21170

PLATE, MARK,PC40

34

20T-98-21180

PLATE, MARK,KOMATSU

35

20T-98-21190

PLATE, MARK,CAB

36

09690-00315

PLATE, MARK,KOMATSU

37

09694-00112

PLATE, MARK,SYMBOL

38

20T-98-22300

PLATE, OPERATING,OPERATOR'S SEAT

39

20T-98-22170

PLATE, OPERATING,LOAD SWITCH (OFF-ON)

Выбрано товаров: 39