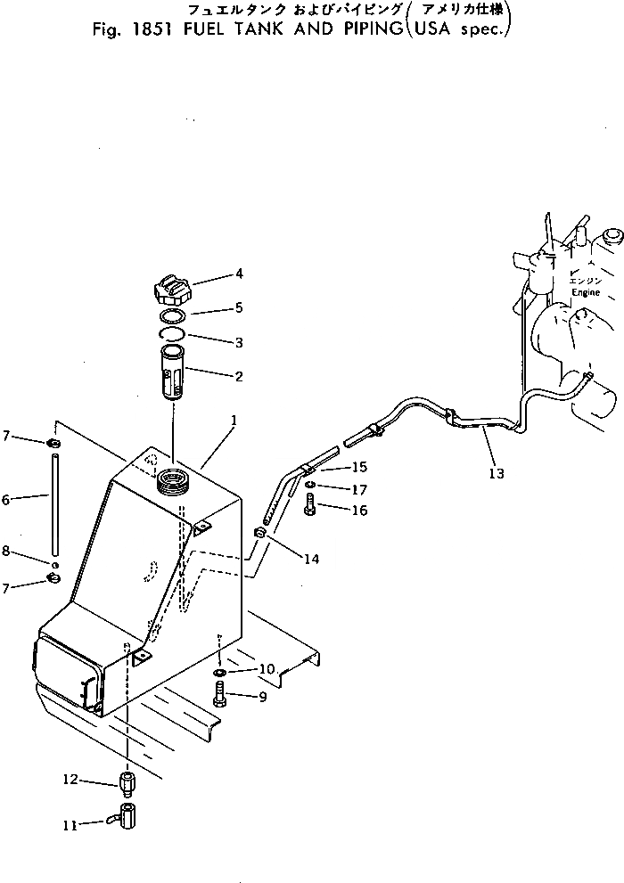
Запчасти Komatsu PC40-3 ТОПЛ. БАК И ТОПЛИВОПРОВОД (США СПЕЦ-Я.) ОПЦИОННЫЕ КОМПОНЕНТЫ

Схема запчастей Komatsu PC40-3 - ТОПЛ. БАК И ТОПЛИВОПРОВОД (США СПЕЦ-Я.) ОПЦИОННЫЕ КОМПОНЕНТЫ
FIT
1:1
100%

Артикул

Название

Примечание

Количество

|$0

20T-04-00101

TANK ASS'Y

|$1

20T-04-00100

TANK ASS'Y

1

TANK

1

TANK

2

07056-16415

STRAINER

3

07057-03266

RING

4

07091-00920

CAP ASS'Y

5

07050-20922

GASKET

6

07270-01041

TUBE

7

07281-00197

CLAMP

8

20R-04-21210

BALL,FLOAT

9

01010-51225

BOLT

10

01605-11226

WASHER

11

07700-40240

VALVE

12

113-40-23110

NIPPLE

13

20T-04-22140

HOSE,FUEL

14

07281-00167

CLAMP

15

08036-01414

CLIP

16

01010-51020

BOLT

17

01602-21030

WASHER,SPRING

Выбрано товаров: 20