Запчасти Komatsu PC40-3 ГИДРОЛИНИЯ (ИЗ НАСОСА В КЛАПАН) ГИДРАВЛИКА

Схема запчастей Komatsu PC40-3 - ГИДРОЛИНИЯ (ИЗ НАСОСА В КЛАПАН) ГИДРАВЛИКА
FIT
1:1
100%

Артикул

Название

Примечание

Количество

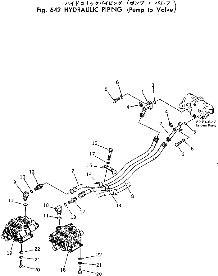
1

20T-62-54130

TUBE

2

20T-62-54140

TUBE

3

07000-13025

O-RING

4

07042-20108

PLUG

5

01010-50835

BOLT

6

01602-20825

WASHER,SPRING

7

07108-00511

HOSE

8

07108-00510

HOSE

9

20T-62-56210

ELBOW

10

20T-62-56220

ELBOW

11

07002-12434

O-RING

12

201-62-21640

NIPPLE

13

07002-12034

O-RING

14

202-981-1360

BUSHING

15

20T-62-54640

CLAMP

16

01010-51070

BOLT

17

01602-21030

WASHER,SPRING

18

709-23-11100

VALVE ASS'Y

19

709-23-11200

VALVE ASS'Y

20

01010-50825

BOLT

21

01602-20825

WASHER,SPRING

22

01643-30823

WASHER

Выбрано товаров: 22