Запчасти Komatsu PC40-5 ПРУЖИНА ХОДОВАЯ

Схема запчастей Komatsu PC40-5 - ПРУЖИНА ХОДОВАЯ
FIT
1:1
100%

Артикул

Название

Примечание

Количество

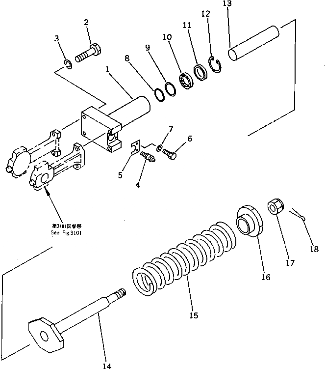
G-1

20T-30-X1200

FRONT IDLER GROUP

1

20R-30-21511

CYLINDER

2

01010-51270

BOLT

3

01602-21236

WASHER,SPRING

4

07959-20001

VALVE

4

07959-20000

VALVE

5

20R-30-21530

PLATE

6

01010-50816

BOLT

7

01602-20825

WASHER,SPRING

8

07000-13040

O-RING

9

20R-30-21550

RING,BACK-UP

10

07016-00407

SEAL,DUST

11

201-30-24170

SPACER

12

04065-05220

RING,SNAP

13

20R-30-21521

ROD

14

20T-30-31410

ROD

15

20T-30-31210

SPRING

16

20T-30-31420

BRACKET

17

01590-12427

NUT

18

04050-15045

PIN,COTTER

Выбрано товаров: 20