Запчасти Komatsu PC40-5 ГИДР. НАСОС. (/) УПРАВЛ-Е РАБОЧИМ ОБОРУДОВАНИЕМ

Схема запчастей Komatsu PC40-5 - ГИДР. НАСОС. (/) УПРАВЛ-Е РАБОЧИМ ОБОРУДОВАНИЕМ
FIT
1:1
100%

Артикул

Название

Примечание

Количество

|$0

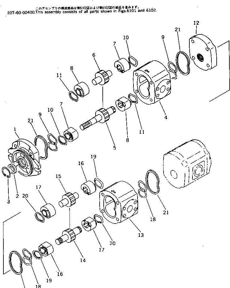
20T-60-00400

PUMP ASS'Y

1

FLANGE

2

SEAL,OIL (K1)

3

RING,SNAP (K1)

4

BODY

5

GEAR,DRIVE (K3)

6

GEAR,DRIVEN (K3)

7

BUSHING (K3)

8

BUSHING (K3)

9

SEAL (K1)

10

PACKING (K1)

11

PACKING (K1)

12

KB20122-47401

PLATE,WITH COUPLING

13

BODY

14

GEAR,DRIVE (K2)

15

GEAR,DRIVEN (K2)

16

BUSHING (K2)

17

BUSHING (K2)

18

SEAL (K1)

19

PACKING (K1)

20

PACKING (K1)

21

SEAL (K1)

Выбрано товаров: 0