Запчасти Komatsu PC40-5 МОТОР ХОДА (/) УПРАВЛ-Е РАБОЧИМ ОБОРУДОВАНИЕМ

Схема запчастей Komatsu PC40-5 - МОТОР ХОДА (/) УПРАВЛ-Е РАБОЧИМ ОБОРУДОВАНИЕМ
FIT
1:1
100%

Артикул

Название

Примечание

Количество

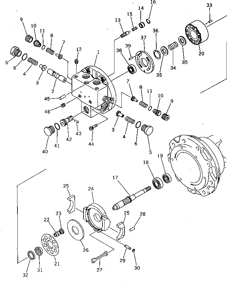
|1

20S-60-22101

TRAVEL MOTOR ASS'Y

|1

TZ300B2101-00

FLANGE-SPOOL ASS'Y

1

FLANGE,REAR

2

SPOOL

3

TZ300A2052-00

STOPPER

4

TZ300A2056-00

SPRING

5

TZ300A2051-00

PLUG

6

07000-13022

O-RING (KIT)

7

TZ300A2054-00

VALVE

8

TZ300A2055-00

SPRING

9

TZ300B2053-00

PLUG

10

TZ300B2058-00

GUIDE

11

07000-12012

O-RING (KIT)

12

TZHP00001-4

PLUG

13

TZ300B2038-00

VALVE

14

TZ300B2039-00

STOPPER

15

TZ300B2043-00

SPRING

16

TZ300B2042-00

RING

17

TZ300B2002-00

SHAFT

18

06000-06203

BEARING,BALL

19

TZ01703508

SEAL,OIL (KIT)

20

BLOCK,CYLINDER

21

PLATE,RETAINER

22

TZ300B2102-00

PISTON ASS'Y

22

PISTON

23

SHOE

24

PLATE,SWASH

25

TZ300B2033-00

GUIDE

26

TZ300B2032-00

PLATE,THRUST

27

TZ300B2036-00

ROD

28

TZ300B2017-00

PIN

29

TZ300B2040-00

PIN

30

TZSBR00604

RING,SNAP

31

BALL,THRUST

32

TZ550A2011-00

WASHER KIT

33

TZPP0020-12

PIN

34

TZ550A2014-00

SPRING

35

TZ300A2010-00

WASHER

36

TZ1R003212

RING,SNAP

37

PLATE,TIMING

38

06000-06201

BEARING,BALL

39

TZPP0040-10

PIN

40

TZ300B2037-00

PLUG

41

07000-12020

O-RING (KIT)

42

TZ300B2035-00

PISTON

43

TZ300B2041-00

PIN

44

01252-30820

BOLT

45

TZPP0080-16

PIN

46

TZHP00001-8

PLUG

Выбрано товаров: 49