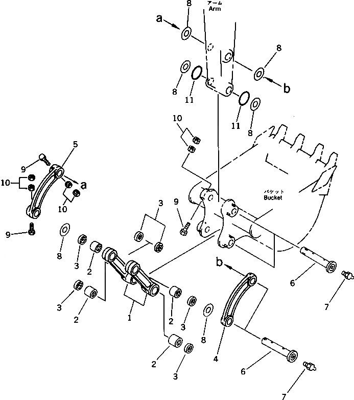
Запчасти Komatsu PC40-6 СОЕДИНЕНИЕ КОВША РАБОЧЕЕ ОБОРУДОВАНИЕ

Схема запчастей Komatsu PC40-6 - СОЕДИНЕНИЕ КОВША РАБОЧЕЕ ОБОРУДОВАНИЕ
FIT
1:1
100%

Артикул

Название

Примечание

Количество

|$0

20T-70-00530

LINK ASS'Y

1

LINK

2

20T-70-25740

BUSHING

3

07145-00045

SEAL,DUST

4

20T-70-41420

LINK,L.H.

5

20T-70-41430

LINK,R.H.

6

20T-70-13121

PIN

7

07020-00000

FITTING,GREASE

8

20T-70-19130

SPACER, 1.0MM

9

01011-51210

BOLT

10

01580-11210

NUT

11

141-30-36290

O-RING

Выбрано товаров: 12