Запчасти Komatsu PC40-6 МАРКИРОВКА (АНГЛ.) МАРКИРОВКА¤ ИНСТРУМЕНТ И РЕМКОМПЛЕКТЫ

Схема запчастей Komatsu PC40-6 - МАРКИРОВКА (АНГЛ.) МАРКИРОВКА¤ ИНСТРУМЕНТ И РЕМКОМПЛЕКТЫ
FIT
1:1
100%

Артикул

Название

Примечание

Количество

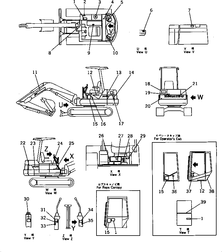
1

20S-98-32220

PLATE, OPERATING,(FOR CAB)

1

20S-98-32210

PLATE, OPERATING,(FOR CANOPY)

2

09652-30121

PLATE, CAUTION,FUEL TANK

3

201-98-29160

PLATE, CAUTION,HYDRAULIC TANK

4

09653-03000

PLATE, SAFETY,HYDRAULIC TANK

5

09668-03000

PLATE, SAFETY,RADIATOR CAP

6

09601-00835

PLATE, NAME,(LIMITED SUPPLY)

6

04418-13060

SCREW

7

20S-98-12230

PLATE, CAUTION,FUEL FILTER

8

20S-98-31250

PLATE, MARK,SYMBOL

9

09683-30060

PLATE, OPERATING,STARTING SWITCH

10

09641-30661

PLATE, INSTRUCTION,AIR CLEANER

11

20S-98-21151

PLATE, MARK,KOMATSU

12

20S-98-31160

PLATE, MARK,KOMATSU

13

20T-98-41310

PLATE, MARK,PC40

14

20T-98-41140

PLATE, MARK,ACCENT

15

20T-98-42111

CHART, OIL

15

20T-98-42110

CHART, OIL

16

09696-10085

PLATE,EC NOISE SUPPRESSION

17

09696-00103

PLATE,EC NOISE SUPPRESSION

18

20T-98-22130

PLATE, SAFETY

19

09667-03000

PLATE, SAFETY,ENGINE COVER

20

20S-98-31410

PLATE, MARK,ACCENT

21

20S-98-31350

PLATE, MARK,KOMATSU

22

20T-98-41150

PLATE, MARK,ACCENT

23

20T-98-41310

PLATE, MARK,PC40

24

20T-98-41131

PLATE, MARK,ACCENT

25

20S-98-31170

PLATE, MARK,KOMATSU

26

09657-03010

PLATE, SAFETY,TRACK TENSION

27

20S-98-32110

PLATE, CAUTION,TRACK LOADING

28

09685-00002

PLATE, OPERATING,SWING LOCK LEVER

29

09131-03000

PLATE, SAFETY,SWING LOCK LEVER

30

09132-03000

PLATE, SAFETY

31

20S-98-32230

PLATE, OPERATING

32

09651-03000

PLATE, SAFETY,BEFORE OPERATING

33

09685-00002

PLATE, OPERATING,LEVER LOCK

34

09173-03000

PLATE, SAFETY,INSPECTION AND MAINTENANCE

35

09685-00002

PLATE, OPERATING,LEVER LOCK

36

20T-98-22160

PLATE, OPERATING,DOOR LOCK

37

20S-98-21260

PLATE, MARK,DOOR KNOB

38

20S-98-31260

PLATE, MARK,DOOR

39

20T-98-22410

PLATE, CAUTION,CENTER SASH

Выбрано товаров: 42