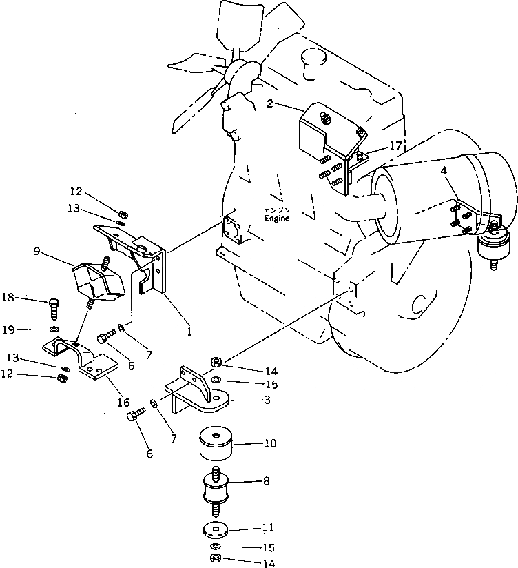
Запчасти Komatsu PC40-6 КРЕПЛЕНИЕ ДВИГАТЕЛЯ КОМПОНЕНТЫ ДВИГАТЕЛЯ И ЭЛЕКТРИКА

Схема запчастей Komatsu PC40-6 - КРЕПЛЕНИЕ ДВИГАТЕЛЯ КОМПОНЕНТЫ ДВИГАТЕЛЯ И ЭЛЕКТРИКА
FIT
1:1
100%

Артикул

Название

Примечание

Количество

1

20T-01-35113

BRACKET

2

20T-01-35122

BRACKET

3

20T-01-35131

BRACKET

4

20T-01-35141

BRACKET

5

01010-51030

BOLT

6

01010-51040

BOLT

7

01602-21030

WASHER,SPRING

8

20T-01-35162

CUSHION

9

20R-01-29111

CUSHION ASS'Y

10

20T-01-35171

STOPPER

11

20T-01-35211

SPACER

12

01580-11210

NUT

13

01643-31232

WASHER

14

01580-11613

NUT

15

01643-31645

WASHER

16

20T-01-35180

BRACKET,L.H.

17

20T-01-35190

BRACKET,R.H.

18

01010-51235

BOLT

19

01643-31232

WASHER

Выбрано товаров: 19