Запчасти Komatsu PC40-6 ПЕРЕДН. ЛЕНИВЕЦ ХОДОВАЯ

Схема запчастей Komatsu PC40-6 - ПЕРЕДН. ЛЕНИВЕЦ ХОДОВАЯ
FIT
1:1
100%

Артикул

Название

Примечание

Количество

G-1

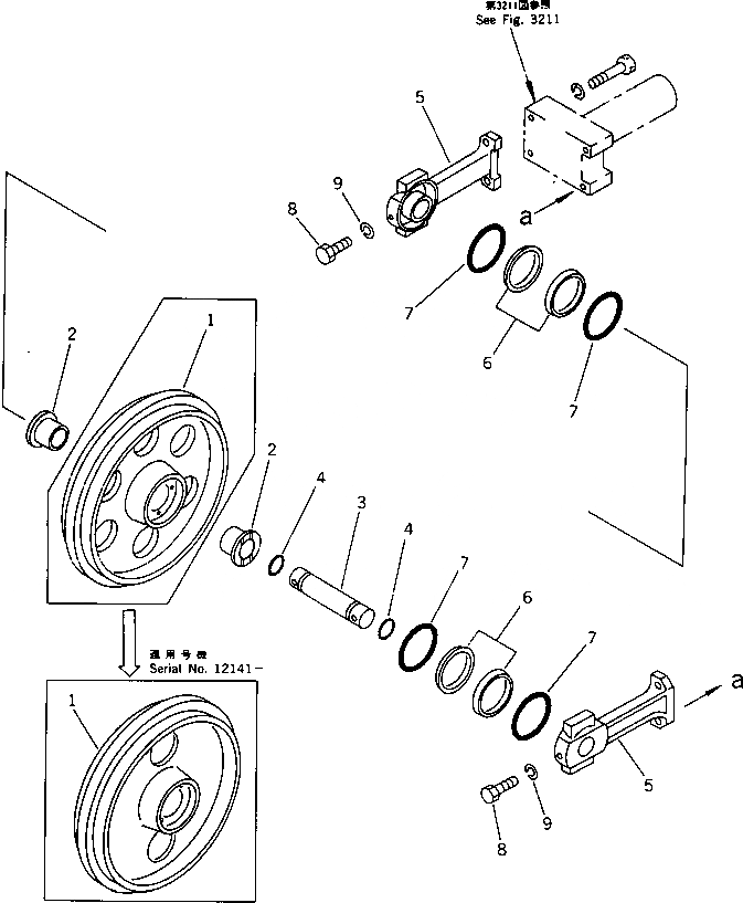
20T-30-X1210

FRONT IDLER GROUP

|$2

20T-30-00103

IDLER ASS'Y

|$3

20T-30-00102

IDLER ASS'Y

1

20T-30-41241

IDLER

1

20T-30-41240

IDLER

2

20T-30-11190

BUSHING

3

20T-30-12191

SHAFT

4

07000-03028

O-RING

5

20T-30-31621

SUPPORT

|$10

140-30-00041

FLOATING SEAL ASS'Y

6

140-30-00401

SEAL RING ASS'Y

6

RING,SEAL

7

140-30-00410

O-RING ASS'Y

7

O-RING

8

01090-51045

BOLT

9

01602-21030

WASHER,SPRING

Выбрано товаров: 16