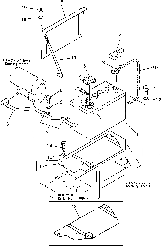
Запчасти Komatsu PC40-6 АККУМУЛЯТОР КОМПОНЕНТЫ ДВИГАТЕЛЯ И ЭЛЕКТРИКА

Схема запчастей Komatsu PC40-6 - АККУМУЛЯТОР КОМПОНЕНТЫ ДВИГАТЕЛЯ И ЭЛЕКТРИКА
FIT
1:1
100%

Артикул

Название

Примечание

Количество

1

20T-06-31410

BATTERY¤ 12V 70AH

2

08000-00000

TERMINAL¤ (+)

3

08000-00001

TERMINAL¤ (-)

4

08038-22009

CAP

5

20S-06-13230

TERMINAL COVER

6

20T-06-41191

WIRE ASS'Y

|6

20T-06-41190

WIRE ASS'Y

7

08036-02514

CLIP

8

01010-51016

BOLT

9

01602-21030

WASHER,SPRING

10

20R-06-11240

WIRE

11

01010-51016

BOLT

12

01643-31032

WASHER

13

20T-06-41610

BRACKET

|13

20T-06-31431

BRACKET

14

01010-50816

BOLT

15

01602-20825

WASHER,SPRING

16

20T-06-31421

HOLDER

17

20S-06-21570

ROD

18

01641-20812

WASHER

19

01580-10806

NUT

Выбрано товаров: 21