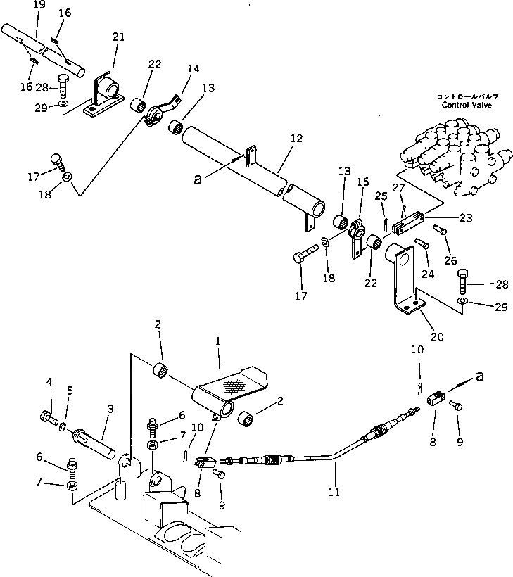
Запчасти Komatsu PC40-6 CONTOR ПЕДАЛЬ (ДЛЯ НАВЕСН.ОБОРУД.) СИСТЕМА УПРАВЛЕНИЯ И ОСНОВНАЯ РАМА

Схема запчастей Komatsu PC40-6 - CONTOR ПЕДАЛЬ (ДЛЯ НАВЕСН.ОБОРУД.) СИСТЕМА УПРАВЛЕНИЯ И ОСНОВНАЯ РАМА
FIT
1:1
100%

Артикул

Название

Примечание

Количество

G-1

20T-973-X110

PEDAL GROUP,(FOR ATTACHMENT)

1

20S-973-3110

PEDAL,(FOR ATTACHMENT)

2

195-61-34130

BEARING

3

20S-970-3120

SHAFT

4

01010-50825

BOLT

5

01602-20825

WASHER,SPRING

6

09311-41237

BUMPER,(FOR ATTACHMENT)

7

01580-11210

NUT,(FOR ATTACHMENT)

8

04211-20634

YOKE

9

04205-10618

PIN

10

04050-11612

PIN,COTTER

11

20S-973-2640

CABLE

12

20S-973-2650

LEVER

13

195-61-34130

BEARING

14

20S-973-2660

LEVER

15

20S-43-21330

LEVER

16

04010-00519

KEY

17

01010-50830

BOLT

18

01602-20825

WASHER,SPRING

19

20S-973-2670

SHAFT

20

20S-973-2680

BRACKET

21

20T-973-4610

BRACKET

22

195-61-34130

BEARING

23

20S-43-22170

YOKE

24

04205-10822

PIN

25

04050-11212

PIN,COTTER

26

04205-10520

PIN

27

04050-12012

PIN,COTTER

28

01010-51025

BOLT

29

01602-21030

WASHER,SPRING

Выбрано товаров: 30