Запчасти Komatsu PC40-7 ГИДР. НАСОС. (/) ГИДРАВЛИКА

Схема запчастей Komatsu PC40-7 - ГИДР. НАСОС. (/) ГИДРАВЛИКА
FIT
1:1
100%

Артикул

Название

Примечание

Количество

|$0

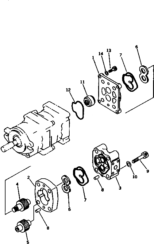
705-41-08090

PUMP ASS'Y

|$2

705-41-05050

PUMP ASS'Y (SBR9)

1

705-40-80511

BRACKET

1

705-40-80620

BUSHING,PLANE (DRIVE SIDE)

1

705-40-80610

BUSHING,PLANE (DRIVEN SIDE)

2

705-40-21011

CASE,GEAR

3

705-41-80110

COVER

3

705-40-80610

BUSHING,PLANE (DRIVE SIDE)

3

705-40-80620

BUSHING,PLANE (DRIVEN SIDE)

4

705-40-21452

GEAR,DRIVE

5

705-40-21511

GEAR,DRIVEN

6

705-40-80720

PLATE,SIDE

7

705-40-80760

SEAL

8

04020-00820

PIN,DOWEL

9

705-41-80870

BOLT

10

01643-51232

WASHER

11

705-67-01330

COUPLING ASS'Y

12

705-40-80660

SEAL

13

705-41-80750

BOLT

14

01643-50823

WASHER

Выбрано товаров: 20