Запчасти Komatsu PC400-1 SERVO ЦИЛИНДР (/) УПРАВЛ-Е РАБОЧИМ ОБОРУДОВАНИЕМ

Схема запчастей Komatsu PC400-1 - SERVO ЦИЛИНДР (/) УПРАВЛ-Е РАБОЧИМ ОБОРУДОВАНИЕМ
FIT
1:1
100%

Артикул

Название

Примечание

Количество

|$0

706-46-20302

HYDRAULIC PUMP ASS'Y

|$1

706-46-20301

HYDRAULIC PUMP ASS'Y

|$2

706-46-20300

HYDRAULIC PUMP ASS'Y

|$3

706-46-20402

HYDRAULIC PUMP ASS'Y

|$4

706-46-20401

HYDRAULIC PUMP ASS'Y

|$5

706-46-20400

HYDRAULIC PUMP ASS'Y

|$6

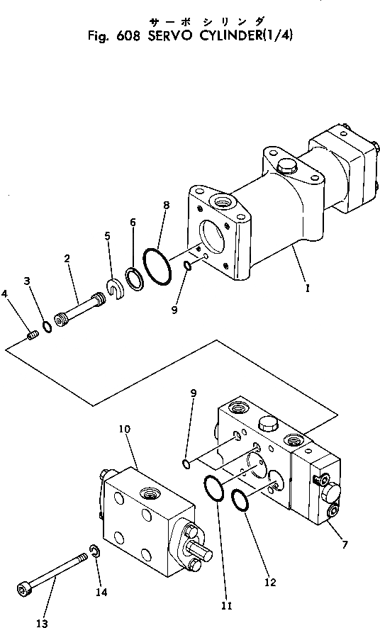
706-46-56600

CYLINDER ASS'Y

1

706-46-56900

SERVO SUB ASS'Y

1

706-46-56101

SERVO SUB ASS'Y

2

RETAINER

2

706-46-56222

RETAINER

3

07000-02010

O-RING

4

SCREW

4

706-46-56260

SCREW

5

706-46-55150

SPACER

6

706-46-56320

RING

7

706-46-55201

NC VALVE ASS'Y

8

07000-03050

O-RING

9

07000-01009

O-RING

10

706-46-53301

C.O. VALVE ASS'Y

11

07000-03025

O-RING

12

07000-03030

O-RING

13

01252-30880

BOLT

14

01602-20825

WASHER,SPRING

Выбрано товаров: 24