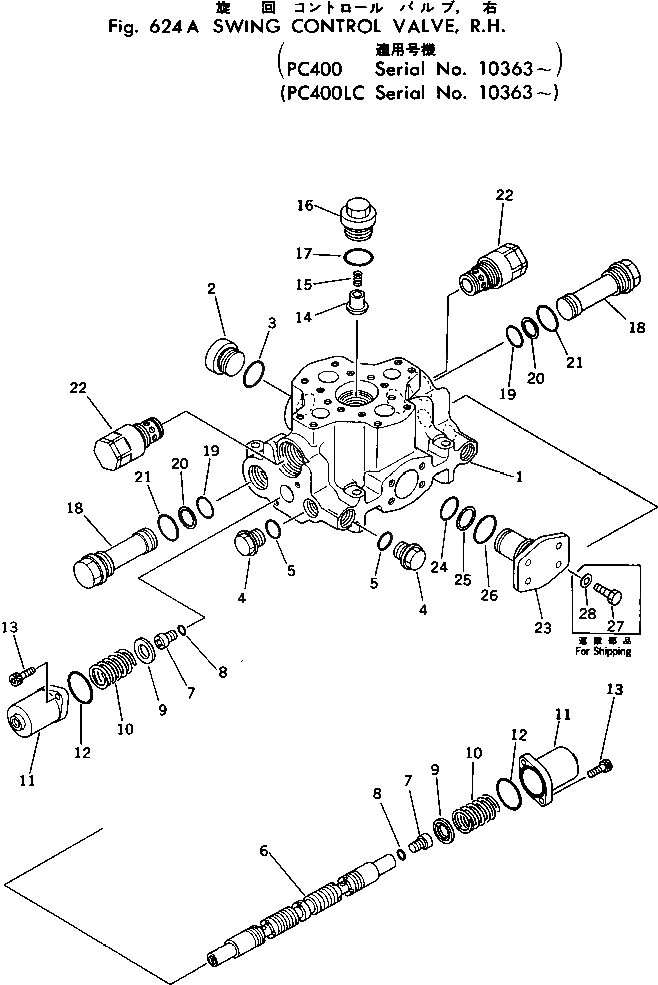
Запчасти Komatsu PC400-1 ПОВОРОТН. УПРАВЛЯЮЩ. КЛАПАН¤ ПРАВ.(№-) УПРАВЛ-Е РАБОЧИМ ОБОРУДОВАНИЕМ

Схема запчастей Komatsu PC400-1 - ПОВОРОТН. УПРАВЛЯЮЩ. КЛАПАН¤ ПРАВ.(№-) УПРАВЛ-Е РАБОЧИМ ОБОРУДОВАНИЕМ
FIT
1:1
100%

Артикул

Название

Примечание

Количество

|$0

700-91-22000

CONTROL VALVE ASS'Y

1

BODY

2

07040-13618

PLUG

3

07002-13634

O-RING

4

700-22-11370

PLUG

5

07002-02434

O-RING

6

SPOOL

7

700-93-11230

PLUG

8

07002-11423

O-RING

9

700-93-12380

RETAINER

10

700-93-11371

SPRING

11

700-93-12390

CASE

12

07430-71380

O-RING

13

01252-30820

BOLT

14

700-93-11461

VALVE

15

700-93-11471

SPRING

16

700-93-11481

PLUG

17

07002-13634

O-RING

18

700-93-11310

PLUG

19

700-93-11320

O-RING

20

700-93-11330

RING,BACK-UP

21

07002-03634

O-RING

22

700-90-62000

VALVE ASS'Y

23

700-93-11340

FLANGE

24

07000-13032

O-RING

25

07001-03032

RING,BACK-UP

26

07000-03035

O-RING

27

01010-51025

BOLT

28

01640-21016

WASHER

Выбрано товаров: 29