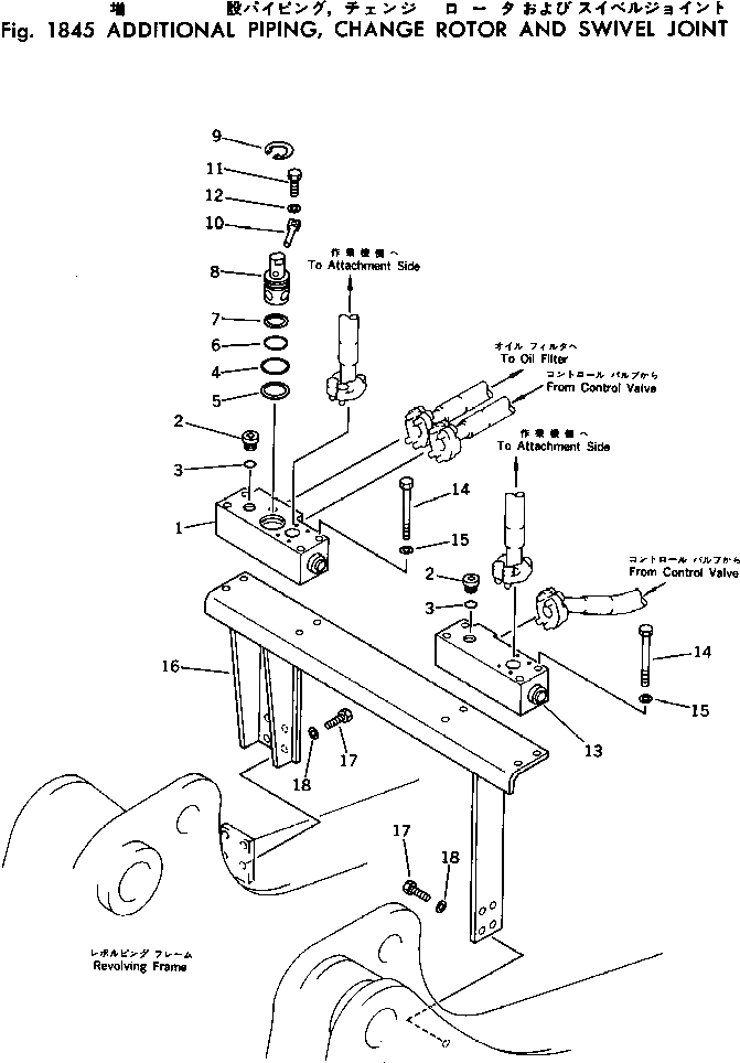
Запчасти Komatsu PC400-1 ДОПОЛН. ГИДРОЛИНИЯ¤ CHANGE ROTOR И ПОВОРОТНОЕ СОЕДИНЕНИЕ ОПЦИОННЫЕ КОМПОНЕНТЫ (СПЕЦ. APPLICATION ЧАСТИ)

Схема запчастей Komatsu PC400-1 - ДОПОЛН. ГИДРОЛИНИЯ¤ CHANGE ROTOR И ПОВОРОТНОЕ СОЕДИНЕНИЕ ОПЦИОННЫЕ КОМПОНЕНТЫ (СПЕЦ. APPLICATION ЧАСТИ)
FIT
1:1
100%

Артикул

Название

Примечание

Количество

1

207-970-1620

BLOCK

2

07040-12412

PLUG

3

07002-12434

O-RING

4

07000-13048

O-RING

5

07001-03048

RING,BACK-UP

6

07000-13042

O-RING

7

07001-03042

RING,BACK-UP

8

207-970-1630

SHAFT

9

04065-05220

RING,SNAP

10

202-970-2210

PIN

11

01010-51230

BOLT

12

01643-31232

WASHER

13

207-970-1610

BLOCK

14

01011-51205

BOLT

15

01643-31232

WASHER

16

208-970-1451

BRACKET

17

01010-51230

BOLT

18

01643-31232

WASHER

Выбрано товаров: 18