Запчасти Komatsu PC400-1 ГУСЕНИЧНАЯ РАМА(№-98) ХОДОВАЯ

Схема запчастей Komatsu PC400-1 - ГУСЕНИЧНАЯ РАМА(№-98) ХОДОВАЯ
FIT
1:1
100%

Артикул

Название

Примечание

Количество

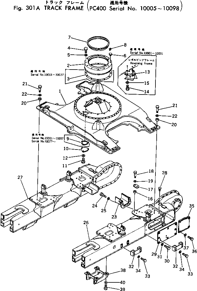
1

208-30-11114

FRAME

2

208-30-11811

COVER

3

208-30-11840

GASKET

4

01010-31225

BOLT

5

01643-31232

WASHER

6

09415-02512

CAP

7

208-30-11831

SEAL

8

207-30-11560

SEAL

9

208-30-11861

GASKET

9

208-30-11860

GASKET

10

208-30-11850

COVER

11

01010-31225

BOLT

12

01643-31232

WASHER

13

208-30-11821

BRACKET

14

01010-31225

BOLT

15

01643-31232

WASHER

16

208-30-12150

COLLAR

17

208-30-12160

PLATE

18

208-30-12140

BOLT

19

01643-33080

WASHER

20

208-30-11970

SPACER

21

208-30-12130

BOLT

22

01643-33080

WASHER

23

208-30-12170

BRACKET

24

01010-31655

BOLT

25

01643-31645

WASHER

26

208-30-11173

FRAME,L.H.

26

208-30-11172

FRAME,L.H.

27

208-30-11183

FRAME,R.H.

27

208-30-11182

FRAME,R.H.

28

208-30-11980

PLUG

29

208-30-11312

COVER,R.H.

29

208-30-11342

COVER,L.H.

30

01010-31645

BOLT

31

01643-31645

WASHER

32

208-30-11480

BRACKET

33

01010-31640

BOLT

34

01643-31645

WASHER

35

208-30-11321

COVER,L.H.

35

208-30-11331

COVER,R.H.

36

01010-31645

BOLT

37

01643-31645

WASHER

38

208-30-11431

GUARD

39

01010-32260

BOLT

40

01643-32260

WASHER

Выбрано товаров: 0