Запчасти Komatsu PC400-1 ГИДР. НАСОС. (/) (ДЛЯ ЯПОН.) УПРАВЛ-Е РАБОЧИМ ОБОРУДОВАНИЕМ

Схема запчастей Komatsu PC400-1 - ГИДР. НАСОС. (/) (ДЛЯ ЯПОН.) УПРАВЛ-Е РАБОЧИМ ОБОРУДОВАНИЕМ
FIT
1:1
100%

Артикул

Название

Примечание

Количество

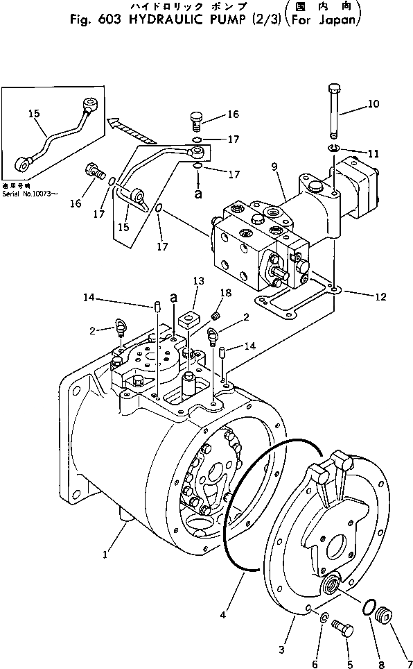
|1

706-46-20402

HYDRAULIC PUMP ASS'Y

|1

706-46-20401

HYDRAULIC PUMP ASS'Y

|1

706-46-20400

HYDRAULIC PUMP ASS'Y

1

706-46-41001

PUMP ASS'Y

|1

706-46-41000

PUMP ASS'Y

2

04530-11018

BOLT

3

706-46-40260

COVER

4

07000-05280

O-RING

5

01010-51035

BOLT

6

01602-21030

WASHER,SPRING

7

07040-12414

PLUG

8

07002-02434

O-RING

9

706-46-56600

CYLINDER ASS'Y

10

01011-51010

BOLT

11

01602-21030

WASHER,SPRING

12

706-46-40910

GASKET

13

706-46-40190

SLIDER

14

04020-00616

PIN

15

706-46-53924

TUBE

|15

706-46-53923

TUBE

16

6631-51-9580

BOLT

17

07000-12012

O-RING

18

PLUG

Выбрано товаров: 23