Запчасти Komatsu PC400-1 SERVO ЦИЛИНДР (/) УПРАВЛ-Е РАБОЧИМ ОБОРУДОВАНИЕМ

Схема запчастей Komatsu PC400-1 - SERVO ЦИЛИНДР (/) УПРАВЛ-Е РАБОЧИМ ОБОРУДОВАНИЕМ
FIT
1:1
100%

Артикул

Название

Примечание

Количество

|1

706-46-20302

HYDRAULIC PUMP ASS'Y

|1

706-46-20301

HYDRAULIC PUMP ASS'Y

|1

706-46-20300

HYDRAULIC PUMP ASS'Y

|1

706-46-20402

HYDRAULIC PUMP ASS'Y

|1

706-46-20401

HYDRAULIC PUMP ASS'Y

|1

706-46-20400

HYDRAULIC PUMP ASS'Y

|1

706-46-56600

CYLINDER ASS'Y

|1

706-46-56900

SERVO SUB ASS'Y

|1

706-46-56101

SERVO SUB ASS'Y

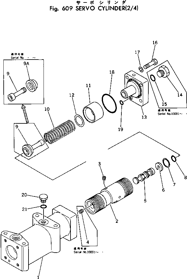
1

BODY

2

SPOOL ASS'Y

3

PLUG

4

PLUG

5

SPOOL

|5

706-46-56212

SPOOL

6

SPACER

7

RING

8

07000-02010

O-RING

9

RETAINER

|9

706-46-56160

RETAINER

9A

706-46-56430

RETAINER

10

706-46-56240

SPRING

11

706-46-56181

STOPPER

12

706-46-56190

SHIM

13

706-46-56371

RETAINER

|13

706-46-56370

RETAINER ASS'Y

14

07040-11812

PLUG

15

07002-01823

O-RING

16

01010-50840

BOLT

|16

01010-50835

BOLT

17

01602-20825

WASHER

18

07000-02060

O-RING

19

07000-01009

O-RING

20

07040-11007

PLUG

21

07002-01023

O-RING

Выбрано товаров: 35