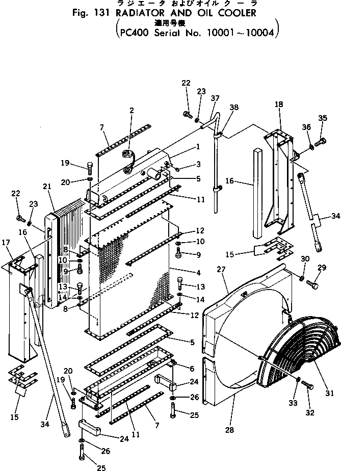
Запчасти Komatsu PC400-1 РАДИАТОР И МАСЛООХЛАДИТЕЛЬ(№-) КОМПОНЕНТЫ ДВИГАТЕЛЯ И ЭЛЕКТРИКА

Схема запчастей Komatsu PC400-1 - РАДИАТОР И МАСЛООХЛАДИТЕЛЬ(№-) КОМПОНЕНТЫ ДВИГАТЕЛЯ И ЭЛЕКТРИКА
FIT
1:1
100%

Артикул

Название

Примечание

Количество

|1

208-03-00011

RADIATOR ASS'Y

|1

208-03-00010

RADIATOR ASS'Y

1

208-03-11121

TANK

2

101-03-13141

CAP

3

07042-30617

PLUG

4

208-03-11110

CORE

5

208-03-11140

GASKET

6

208-03-11130

TANK

7

208-03-11170

PLATE

8

208-03-11160

PLATE

9

01010-31030

BOLT

10

01602-01030

WASHER,SPRING

11

208-03-11170

PLATE

12

208-03-11150

PLATE

13

01010-31030

BOLT

14

01602-01030

WASHER,SPRING

15

208-03-11210

SHIM¤ 0.6MM

16

208-03-11220

SEAT

17

208-03-11180

SUPPORT

18

208-03-11190

SUPPORT

19

01010-31230

BOLT

20

01602-01236

WASHER,SPRING

21

208-03-11280

OIL COOLER ASS'Y

22

01010-31025

BOLT

23

01602-01030

WASHER,SPRING

24

208-03-11440

PLATE

25

01011-31610

BOLT

26

01643-31645

WASHER

27

208-03-11410

SHROUD

28

208-03-11420

SHROUD

29

01010-31025

BOLT

30

01643-31032

WASHER

31

208-03-11321

NET

32

01010-31225

BOLT

33

01643-31232

WASHER

34

208-03-11450

STAY

35

01010-31235

BOLT

36

01643-31232

WASHER

37

202-03-11220

TUBE

38

232-03-11210

CLIP

Выбрано товаров: 0