Качественные детали и логистика
Оригинальные и аналоговые запчасти с доставкой по России, Казахстану и Беларуси
©2022 PartSell ООО "Система" ИНН 2463123282 ОГРН 1212400004838
Центральный офис: г. Красноярск, Академика Киренского, д.87, пом.4
Телефон: 8 (800) 777-65-74 Email: zakaz@partsell.ru
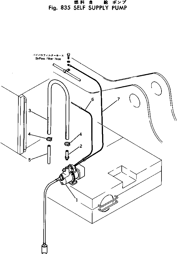
НАСОС АВТОМАТИЧ. ЗАПРАВКИ
№
Артикул
Название
Примечание
Количество
1
206-04-11130
PUMP
2
206-04-11140
TUBE
3
07261-22020
HOSE
4
07281-00359
CLAMP
5
207-04-11190
6
203-06-29130
WIRE
7
207-06-12140
Выбрано товаров: 0