Запчасти Komatsu PC400-1 ПАНЕЛЬ ПРИБОРОВ (/)(№-98) КОМПОНЕНТЫ ДВИГАТЕЛЯ И ЭЛЕКТРИКА

Схема запчастей Komatsu PC400-1 - ПАНЕЛЬ ПРИБОРОВ (/)(№-98) КОМПОНЕНТЫ ДВИГАТЕЛЯ И ЭЛЕКТРИКА
FIT
1:1
100%

Артикул

Название

Примечание

Количество

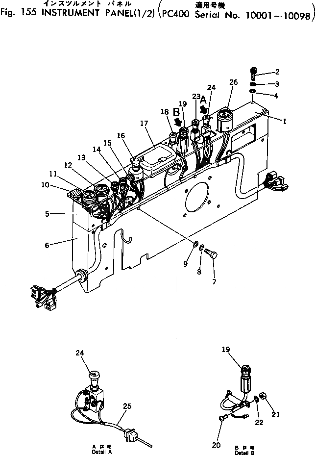
1

207-06-11581

PANEL

2

205-06-62170

BOLT

3

205-06-62180

WASHER,SPRING

4

205-06-62190

WASHER

5

203-06-31112

COVER

6

207-06-11611

COVER

7

01010-30820

BOLT

8

01602-00825

WASHER,SPRING

9

01643-30823

WASHER

10

207-06-11830

CAP

11

207-06-11431

GAUGE,AIR PRESSURE

12

208-06-11280

GAUGE,WATER TEMPERATURE

13

125-06-22210

LAMP,OIL PRESSURE

|13

08111-02430

BULB¤ 3W

14

207-06-11760

LAMP,CHARGE

|14

08111-01230

BULB¤ 4W

15

600-815-2490

SIGNAL,HEATER

16

207-06-11770

SWITCH,STARTING

17

566-06-16411

ASHTRAY

18

08061-40010

SWITCH,LAMP

19

195-822-6150

LIGHTER

20

01220-30412

SCREW

21

01580-00403

NUT

22

01601-00410

WASHER,SPRING

23

09481-02400

SWITCH,HEATER

24

08183-00000

SWITCH,WIPER

25

205-06-61290

WIRE ASS'Y

26

08687-22400

METER,SERVICE

|26

208-06-11260

METER,SERVICE

Выбрано товаров: 29