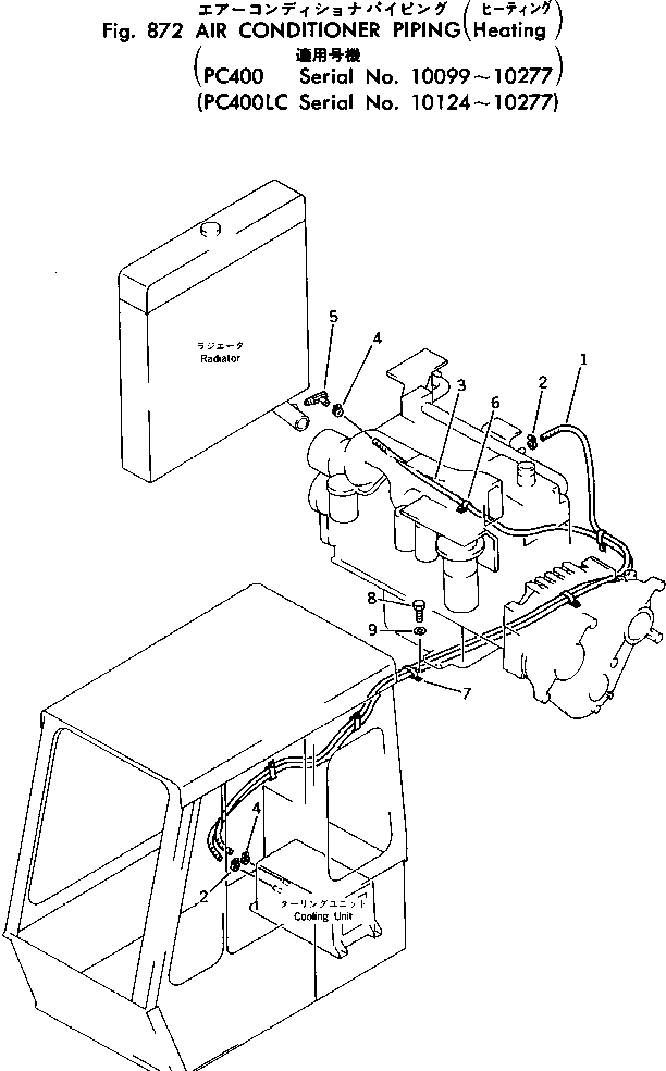
Запчасти Komatsu PC400-1 ТРУБКИ КОНДИЦИОНЕРА (ОБОГРЕВ.)(№-77) ОПЦИОННЫЕ КОМПОНЕНТЫ

Схема запчастей Komatsu PC400-1 - ТРУБКИ КОНДИЦИОНЕРА (ОБОГРЕВ.)(№-77) ОПЦИОННЫЕ КОМПОНЕНТЫ
FIT
1:1
100%

Артикул

Название

Примечание

Количество

1

09483-00450

HOSE

2

07281-00259

CLAMP

3

09483-00445

HOSE

4

07281-00259

CLAMP

5

202-981-1340

JOINT

6

08036-02514

CLIP

7

154-06-13780

CLAMP

8

01010-51020

BOLT

9

01643-31032

WASHER

Выбрано товаров: 9