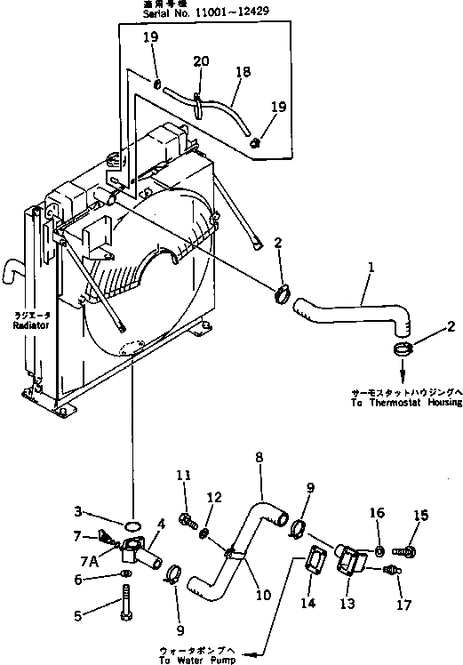
Запчасти Komatsu PC400-3 ЗАЩИТА РАДИАТОРА AND ТРУБЫ КОМПОНЕНТЫ ДВИГАТЕЛЯ И ЭЛЕКТРИКА

Схема запчастей Komatsu PC400-3 - ЗАЩИТА РАДИАТОРА AND ТРУБЫ КОМПОНЕНТЫ ДВИГАТЕЛЯ И ЭЛЕКТРИКА
FIT
1:1
100%

Артикул

Название

Примечание

Количество

1

207-03-31120

HOSE

2

07281-00809

CLAMP

3

07000-02070

O-RING

4

207-03-31150

TUBE

5

01010-51290

BOLT

6

01643-31232

WASHER

7

205-03-62660

PLUG

7A

07000-01007

O-RING

8

207-03-31130

HOSE

9

07281-00809

CLAMP

10

281-03-11710

CLIP

11

01010-51225

BOLT

12

01643-31232

WASHER

13

207-03-31160

CONNECTOR

14

207-03-31270

GASKET

15

01010-51025

BOLT

16

01643-51032

WASHER

17

20T-03-11280

NIPPLE

18

09483-00308

HOSE

19

07281-00197

CLAMP

20

08034-00834

BAND

Выбрано товаров: 0