Запчасти Komatsu PC400-3 ПАНЕЛЬ ПРИБОРОВ (/) (ДЛЯ УДЛИНН. РЫЧАГ УПРАВЛ-Е) КОМПОНЕНТЫ ДВИГАТЕЛЯ И ЭЛЕКТРИКА

Схема запчастей Komatsu PC400-3 - ПАНЕЛЬ ПРИБОРОВ (/) (ДЛЯ УДЛИНН. РЫЧАГ УПРАВЛ-Е) КОМПОНЕНТЫ ДВИГАТЕЛЯ И ЭЛЕКТРИКА
FIT
1:1
100%

Артикул

Название

Примечание

Количество

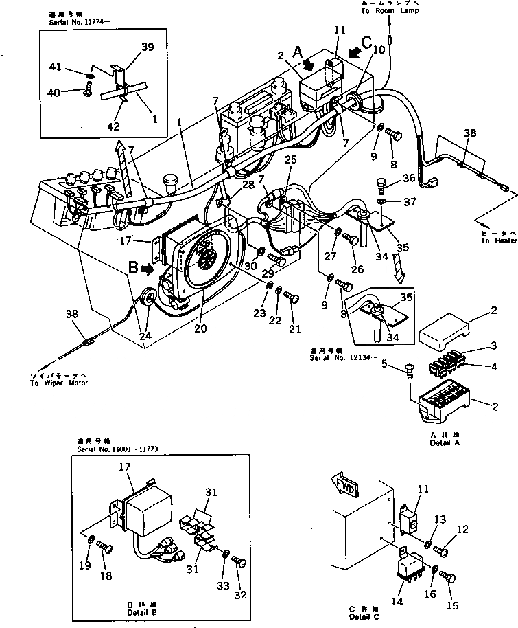
1

207-06-31152

WIRING HARNESS

1

207-06-31151

WIRING HARNESS

1

207-06-31150

WIRING HARNESS

2

205-06-71480

FUSE BOX

3

205-06-73180

FUSE, 15A

4

22W-06-13160

FUSE, 20A

5

01220-40616

SCREW

7

08036-02514

CLIP

8

01010-51225

BOLT

9

01643-31232

WASHER

10

08037-02512

GROMMET

11

207-06-31160

BUZZER

12

01220-40412

SCREW

13

01642-20405

WASHER

14

206-06-41130

RELAY,HORN

15

01010-50616

BOLT

16

01643-30623

WASHER

17

7861-72-3000

CONTROLLER ASS'Y

17

7861-01-3000

CONTROLLER ASS'Y

18

01220-40616

SCREW

19

01643-30623

WASHER

20

20G-06-15120

SPEAKER

21

01220-40420

SCREW

22

01601-20410

WASHER,SPRING

23

01641-20405

WASHER

24

08037-02512

GROMMET

25

142-06-13530

CLIP

26

01010-51225

BOLT

27

01643-31232

WASHER

28

08036-02514

CLIP

29

01010-51225

BOLT

29

01010-51025

BOLT

30

01643-31232

WASHER

30

01643-31032

WASHER

31

283-06-17130

CLIP

32

01220-40608

SCREW

33

01641-20608

WASHER

34

205-06-72410

GROMMET

35

205-06-72211

COVER

36

01010-51025

BOLT

37

01643-31032

WASHER

38

205-54-72710

CLIP

39

205-06-72620

PLATE

40

01235-50408

SCREW

41

01641-20405

WASHER

42

08034-00414

BAND

Выбрано товаров: 0