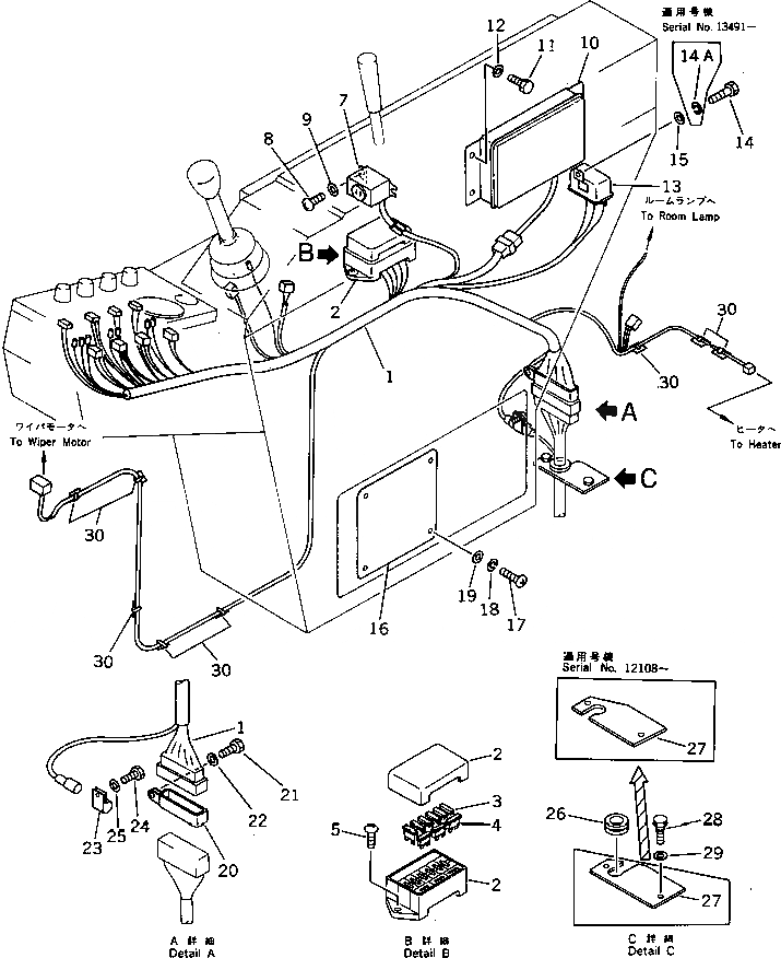
Запчасти Komatsu PC400-3 ПАНЕЛЬ ПРИБОРОВ (/) (ANALOG) (F/W.C) (W/O АВТОМ. ЗАМЕДЛЕНИЕ ОБОРОТОВПОВОРОТН.¤ МЕХАНИЧ. ТОРМОЗ.¤ -STAGE) КОМПОНЕНТЫ ДВИГАТЕЛЯ И ЭЛЕКТРИКА

Схема запчастей Komatsu PC400-3 - ПАНЕЛЬ ПРИБОРОВ (/) (ANALOG) (F/W.C) (W/O АВТОМ. ЗАМЕДЛЕНИЕ ОБОРОТОВ  ПОВОРОТН.¤ МЕХАНИЧ. ТОРМОЗ.¤ -STAGE) КОМПОНЕНТЫ ДВИГАТЕЛЯ И ЭЛЕКТРИКА
FIT
1:1
100%

Артикул

Название

Примечание

Количество

1

207-06-32121

WIRING HARNESS

1

207-06-32120

WIRING HARNESS

2

205-06-71480

FUSE BOX

3

205-06-73180

FUSE, 15A

4

22W-06-13160

FUSE, 20A

5

01220-40616

SCREW

7

207-06-31160

BUZZER

8

01220-40412

SCREW

9

01642-20405

WASHER

10

207-06-31261

CONTROLLER

11

01010-51016

BOLT

12

01643-31032

WASHER

13

206-06-41130

RELAY,HORN

14

01010-50612

BOLT

14A

01602-20619

WASHER,SPRING

15

01643-30623

WASHER

16

205-06-72181

COVER

17

01220-40410

SCREW

18

01601-20410

WASHER,SPRING

19

01641-20405

WASHER

20

142-06-13530

CLIP

21

01010-51220

BOLT

22

01643-31232

WASHER

23

08036-02514

CLIP

24

01010-51220

BOLT

25

01643-31232

WASHER

26

205-06-72410

GROMMET

27

205-06-72211

COVER

28

01010-51025

BOLT

29

01643-31032

WASHER

30

205-54-72710

CLIP

Выбрано товаров: 31