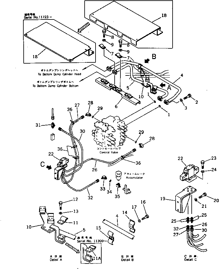
Запчасти Komatsu PC400-3 НИЖН. РАЗГРУЗКА ТРУБЫ(ШАССИ)(ДЛЯ НИЖН. ПОГРУЗ.)(W/ АВТОМАТИЧ. DECE. ПОВОРОТН. MECHA. ТОРМОЗ.¤-STAGE) УПРАВЛ-Е РАБОЧИМ ОБОРУДОВАНИЕМ

Схема запчастей Komatsu PC400-3 - НИЖН. РАЗГРУЗКА ТРУБЫ(ШАССИ)(ДЛЯ НИЖН. ПОГРУЗ.)(W/ АВТОМАТИЧ. DECE. ПОВОРОТН. MECHA. ТОРМОЗ.¤-STAGE) УПРАВЛ-Е РАБОЧИМ ОБОРУДОВАНИЕМ
FIT
1:1
100%

Артикул

Название

Примечание

Количество

1

21T-09-11470

O-RING

2

07372-21040

BOLT

3

01643-51032

WASHER

4

208-72-36110

TUBE

5

208-72-36120

TUBE

6

208-72-36150

BRACKET

7

207-62-34190

CLAMP

8

205-09-71110

BOLT

8

01010-51030

BOLT

9

01643-31032

WASHER

10

208-72-36170

BRACKET

11

207-62-34190

CLAMP

11A

207-62-34180

CLAMP

12

01010-51035

BOLT

12

205-09-71110

BOLT

12

01010-51030

BOLT

13

01643-31032

WASHER

14

207-62-31340

CLAMP

15

207-62-31360

CLAMP

16

01010-51035

BOLT

16

205-09-71110

BOLT

16

01010-51030

BOLT

17

01643-31032

WASHER

18

207-54-31271

COVER

18

208-72-36140

COVER

19

208-72-36160

BRACKET

20

01010-51225

BOLT

21

01643-31232

WASHER

22

209-60-12830

VALVE ASS'Y

23

01252-40530

BOLT

24

01601-20513

WASHER,SPRING

25

22W-62-17710

NIPPLE

26

07102-20210

HOSE

26

07102-20211

HOSE

27

07102-20213

HOSE

28

20N-63-66190

ELBOW

29

07002-02034

O-RING

30

07102-20209

HOSE

31

208-62-17550

TEE

32

07102-20206

HOSE

33

20N-63-66190

ELBOW

34

07002-02034

O-RING

35

208-72-36130

TEE

36

08034-00834

BAND

Выбрано товаров: 44