Запчасти Komatsu PC400-3 МОРОЗОУСТОЙЧИВ. СПЕЦ-Я СПЕЦ-ЯIFICATIONS (/) ОПЦИОННЫЕ КОМПОНЕНТЫ

Схема запчастей Komatsu PC400-3 - МОРОЗОУСТОЙЧИВ. СПЕЦ-Я СПЕЦ-ЯIFICATIONS (/) ОПЦИОННЫЕ КОМПОНЕНТЫ
FIT
1:1
100%

Артикул

Название

Примечание

Количество

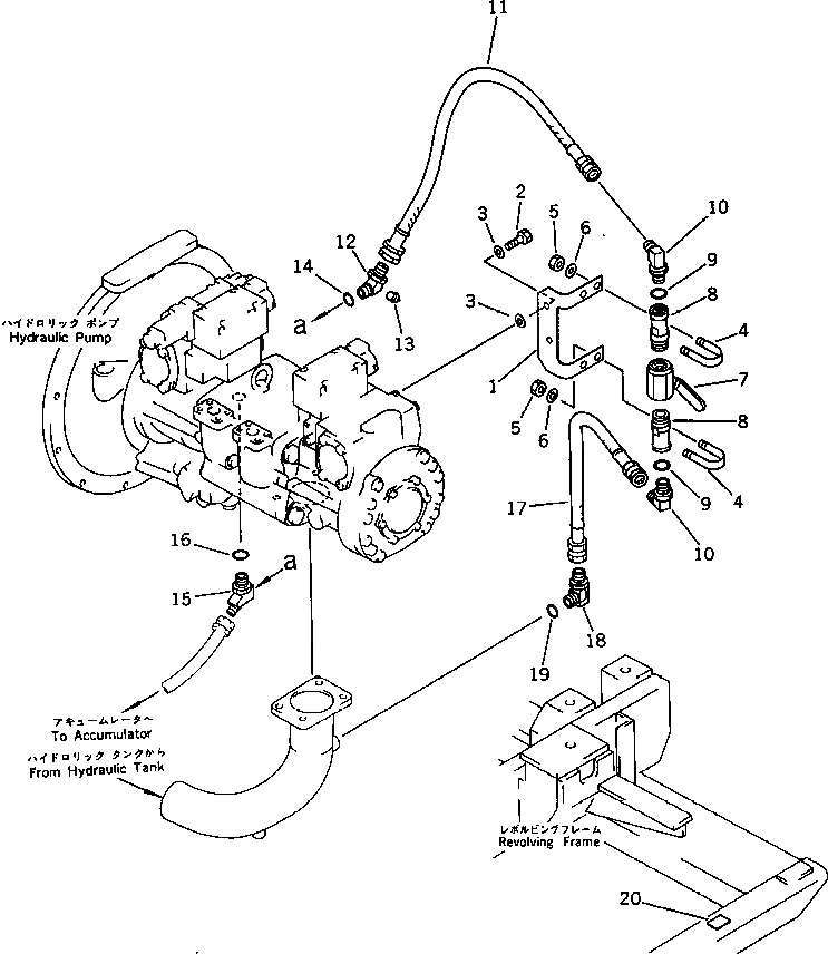
1

207-62-32520

BRACKET

2

01010-51045

BOLT

3

01643-31032

WASHER

4

07283-23442

CLIP

5

01599-01011

NUT

6

01643-31032

WASHER

7

208-62-19140

VALVE

8

207-62-32510

ADAPTER

9

07002-02434

O-RING

10

07235-10522

ELBOW

11

07102-20508

HOSE

12

07236-50522

ELBOW

13

07042-30108

PLUG

14

07002-02434

O-RING

15

207-62-32530

ELBOW

16

07002-02034

O-RING

17

07102-20504

HOSE

18

07235-10522

ELBOW

19

07002-02434

O-RING

20

208-00-11830

PLATE, CAUTION,(JAPANESE)

20

208-00-11840

PLATE, CAUTION,(ENGLISH)

20

205-00-76490

PLATE, CAUTION,(CHINESE)

Выбрано товаров: 22