Запчасти Komatsu PC400-3 E.S (W) (/) (АВТОМ. ЗАМЕДЛЕНИЕ ОБОРОТОВ¤ ПОВОРОТН. МЕХАНИЧ. ТОРМОЗ.¤-STAGE) (С БЛОКИР. ПАЛЕЦ)(№-7) КОМПОНЕНТЫ ДВИГАТЕЛЯ И ЭЛЕКТРИКА

Схема запчастей Komatsu PC400-3 - E.S (W) (/) (АВТОМ. ЗАМЕДЛЕНИЕ ОБОРОТОВ¤ ПОВОРОТН. МЕХАНИЧ. ТОРМОЗ.¤  -STAGE) (С БЛОКИР. ПАЛЕЦ)(№-7) КОМПОНЕНТЫ ДВИГАТЕЛЯ И ЭЛЕКТРИКА
FIT
1:1
100%

Артикул

Название

Примечание

Количество

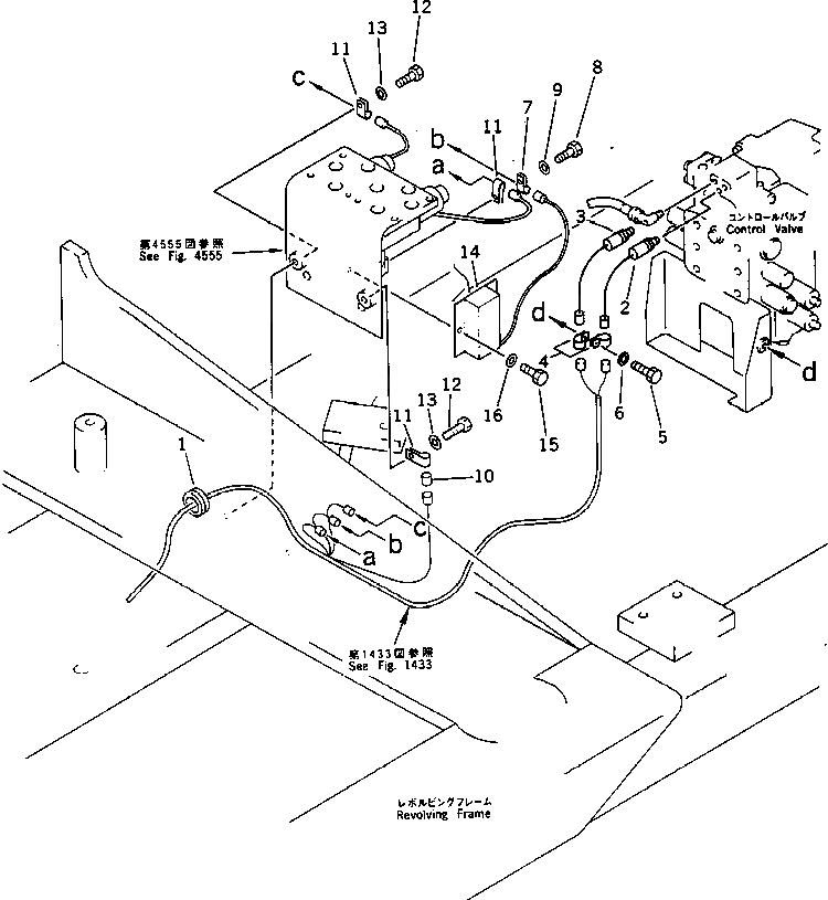
1

08037-05022

GROMMET

2

205-06-72431

SWITCH

3

205-06-72442

SWITCH

4

08036-01814

CLIP

5

01010-51225

BOLT

6

01643-31232

WASHER

7

08036-02514

CLIP

8

01010-51225

BOLT

9

01643-31232

WASHER

10

195-06-41760

CONNECTOR

11

08036-01814

CLIP

12

01010-51225

BOLT

13

01643-31232

WASHER

14

207-06-31450

TIMER

15

01010-50616

BOLT

16

01643-30623

WASHER

Выбрано товаров: 16