Запчасти Komatsu PC400-5 ГИДР. НАСОС. (/) (НАСОС SUB В СБОРЕ) (/) УПРАВЛ-Е РАБОЧИМ ОБОРУДОВАНИЕМ

Схема запчастей Komatsu PC400-5 - ГИДР. НАСОС. (/) (НАСОС SUB В СБОРЕ) (/) УПРАВЛ-Е РАБОЧИМ ОБОРУДОВАНИЕМ
FIT
1:1
100%

Артикул

Название

Примечание

Количество

|$0

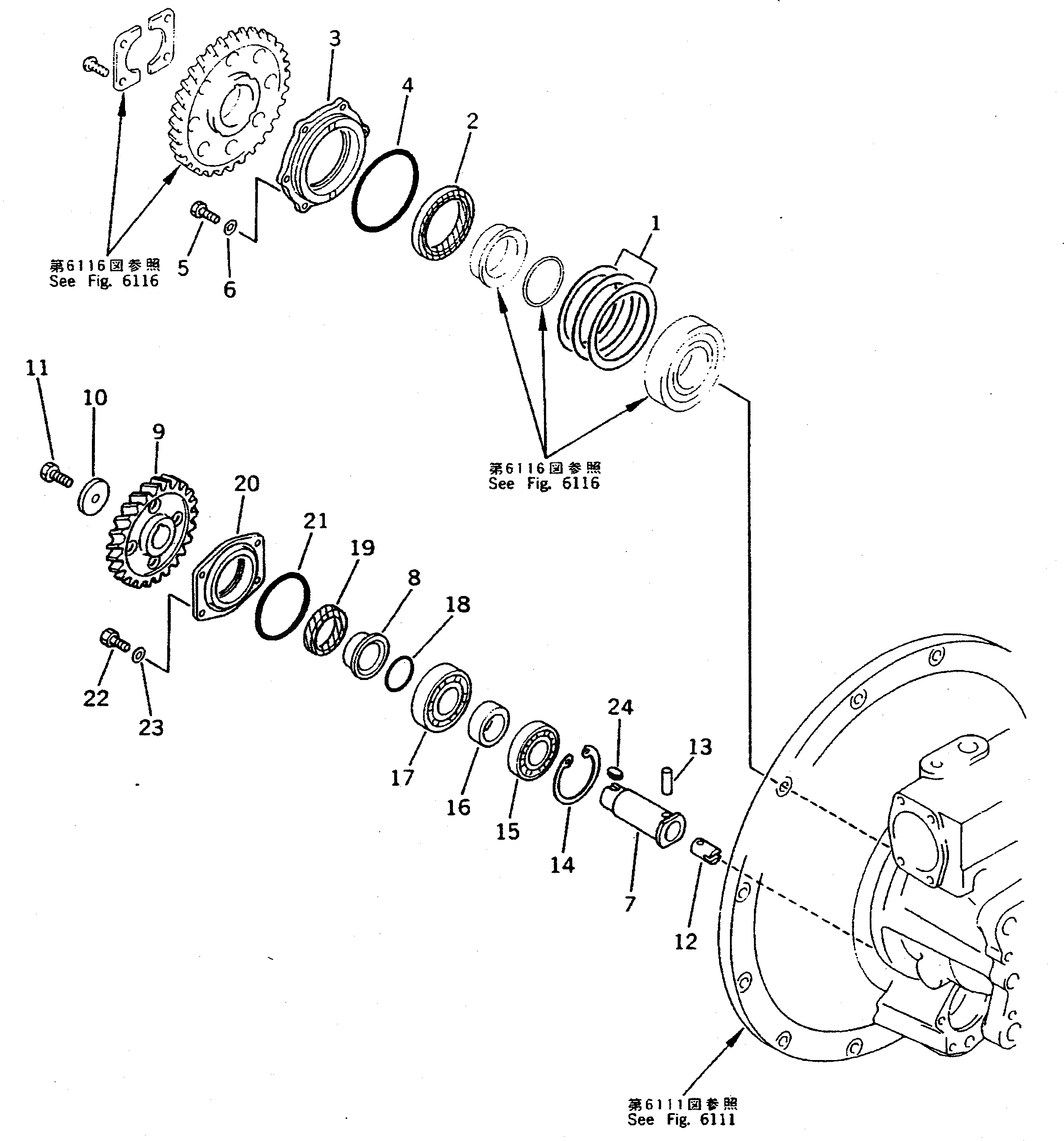
708-27-04023

HYDRAULIC PUMP ASS'Y

|$1

708-27-04022

HYDRAULIC PUMP ASS'Y

|$2

708-27-04021

HYDRAULIC PUMP ASS'Y

|$4

708-27-04123

PUMP ASS'Y

|$5

708-27-04122

PUMP ASS'Y

|$6

708-27-04121

PUMP ASS'Y

1

708-27-05010

SHIM KIT

1

SHIM, 0.50MM

1

SHIM, 0.10MM

1

SHIM, 0.15MM

2

708-2H-12140

SEAL,OIL

3

708-27-12770

HOUSING

4

07000-02105

O-RING

5

01010-50820

BOLT

6

01643-30823

WASHER

7

708-27-14430

SHAFT

8

708-27-14470

COLLAR

9

708-27-14420

GEAR

10

708-18-12860

PLATE

11

708-27-14490

BOLT

12

708-27-14440

COUPLING

13

708-27-14450

PIN

14

04065-07225

RING,SNAP

15

06030-06207

BEARING,ROLLER

16

708-27-14480

COLLAR

17

06030-06307

BEARING,ROLLER

18

07000-03035

O-RING

19

708-25-52860

SEAL,OIL

20

708-27-14460

HOUSING

21

07000-02085

O-RING

22

01010-50820

BOLT

23

01643-30823

WASHER

24

04000-01020

KEY

Выбрано товаров: 0