Запчасти Komatsu PC400-6 ГУСЕНИЧНАЯ РАМА (РЕГУЛЯТОР) (С КРЫШКОЙ)(№-9) ХОДОВАЯ

Схема запчастей Komatsu PC400-6 - ГУСЕНИЧНАЯ РАМА (РЕГУЛЯТОР) (С КРЫШКОЙ)(№-9) ХОДОВАЯ
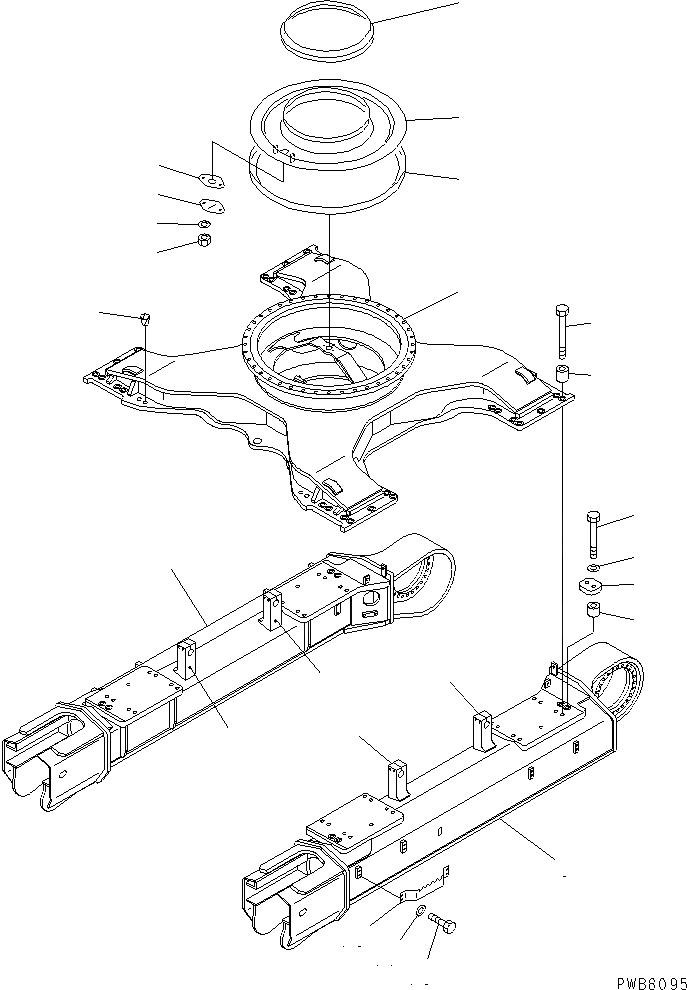
1
2
3
4
5
6
7
8
9
10
11
12
13
14
15
16
17
18
19
20
21
22
23
24
FIT
1:1
100%

Артикул

Название

Примечание

Количество

1

208-30-65251

FRAME,CENTER

2

205-30-71171

SEAL

3

208-30-61220

COVER

4

205-30-71181

COVER

5

205-30-71191

GASKET

6

01580-11008

NUT

7

01643-31032

WASHER

8

207-30-51260

SEAL

9

208-30-65142

FRAME,L.H.

10

208-30-61E60

PLATE (WELDED)

11

208-30-61E70

PLATE (WELDED)

12

208-30-65152

FRAME,R.H.

13

208-30-61E60

PLATE (WELDED)

14

208-30-61E70

PLATE (WELDED)

15

208-30-61260

BRACKET

16

01010-81640

BOLT

17

01643-31645

WASHER

18

196-50-11220

SPACER

19

208-30-12130

BOLT

20

208-30-12160

PLATE

21

208-30-31650

COLLAR

22

01011-63030

BOLT

23

01643-33080

WASHER

24

07049-03949

PLUG

Выбрано товаров: 24